Texas Instruments TPS650864xx可配置多轨PMIC
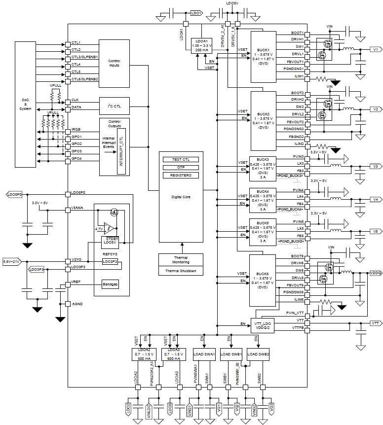
Texas Instruments TPS650864xx可配置多轨PMIC是一款单芯片电源管理 IC (PMIC),设计用于Xilinx Zynq多处理器片上系统 (MPSoC) 和现场可编程栅极阵列 (FPGA)。TPS650864xx提供5.6V-21V的输入范围,从而实现各种各样应用。该器件设计用于壁式供电应用或者2S、3S或4S锂离子电池组(NVDC或非NVDC电源架构) D-CAP2和DCS控制高频稳压器采用小型电感器和电容器,以实现解决方案尺寸的小型化。D-CAP2和DCS-Control拓扑具有出色的瞬态响应性能。此特性对于具有快速负载开关的处理器内核和系统内存轨非常有用。一个I2C接口可通过嵌入式控制器 (EC) 或SoC进行轻松控制。特性
- 5.6V - 21V宽VIN范围
- 三个可变输出电压同步降压型控制器,带D-CAP2™拓扑
- 可扩展输出电流,采用外部FET,电流限制可选
- I2C DVS 控制,0.41V-1.67V 步进为 10mV,1V-3.575V 步进为 25mV
- 三个可变输出电压同步降压型转换器,带DCS控制拓扑
- VIN范围:3V至5.5V
- 输出电流高达3A
- I2C DVS 控制,0.41V-1.67V 步进为 10mV,0.425V-3.575V 步进为 25mV
- 三个 LDO 稳压器,输出电压可调
- LDOA1: I2C 可选择输出电压,1.35V-3.3V,输出电流高达 200mA
- LDOA2 和 LDOA3:I2C 可选择输出电压, 0.7V-1.5V,输出电流高达 600mA
- VTT LDO,用于 DDR 存储器终端
- 三个负荷开关,带转换率控制
- 输出电流高达 300mA,压降小于额定输入电压的 1.5%
- RDSON < 96mΩ(在输入电压为 1.8V 时)
- 5V 固定输出电压 LDO (LDO5)
- 为 SMPS 栅极驱动器和 LDOA1 供电的电源
- 自动切换到外部 5V 降压,实现更高效率
- 通过工厂 OTP 编程实现的内置灵活性和可配置性
- 6 个 GPI 引脚可配置为启用任何选定轨的 (CTL1-CTL6) 或输入睡眠模式 (CTL3 和 CTL6)
- 4 个 GPO 引脚可配置为任何选定轨的电源
- 开漏中断输出引脚
- I2C 接口支持
- 标准模式 (100kHz)
- 快速模式 (400kHz)
- 快速模式+ (1MHz)
应用
- 可编程逻辑控制器
- 机器视觉摄像机
- 视频监控
- 测试与测量
- 嵌入式电脑
- 运动控制
- 便携式超声波仪
功能框图
发布日期: 2017-08-30
| 更新日期: 2022-05-06
