Texas Instruments TPS6508700电源管理IC (PMIC)
Texas Instruments TPS6508700电源管理 IC (PMIC) 是一款单芯片PMIC,设计用于AMD™系列17h型10h-1Fh处理器,面向笔记本电脑和一体式台式机的。TPS6508700器件的输入范围5.6V至21V,可用于各种应用。该器件非常适合用于使用2S、3S、或4S锂离子电池组的NVDC和非NVDC电源架构。D-CAP2™和DCS™控制高频稳压器采用小型电感器和电容器,以实现解决方案尺寸的小型化。D-CAP2和DCS控制拓扑具有出色的瞬态响应性能,这对于具有快速负载切换的处理器内核和系统内存轨而言非常重要。一个I2C接口可通过嵌入式控制器 (EC) 或片上系统 (SoC) 进行轻松控制。特性
- 5.6V-21V宽VIN范围
- 三个可变输出电压同步降压型控制器,带 DCAP2™ 拓扑
- 可扩展输出电流,采用外部FET,电流限制可选
- BUCK2和BUCK6采用I2C动态电压调节 (DVS) 控制,BUCK1采用外部反馈
- 三个可变输出电压同步降压转换器,采用DCS-Control拓扑技术并支持I2C DVS功能
- VIN范围:4.5V-5.5V
- VOUT范围:0.425V至3.575V
- 输出电流高达3A
- 三个LDO稳压器,输出电压可调
- LDOA1: I2C 可选择输出电压,1.35V-3.3V,输出电流高达 200mA
- LDOA2和LDOA3:I2C可选择输出电压,0.7V-1.5V,输出电流高达600mA
- LDO,BUCK6作为输入电压
- 三个具有转换率控制功能的负载开关
- 输出电流高达 300mA,压降小于额定输入电压的 1.5%
- RDSON < 96mΩ(在输入电压为 1.8V 时)
- 5V 固定输出电压 LDO (LDO5)
- 为SMPS栅极驱动器和LDOA1供电的电源
- 自动切换到5V降压,实现更高效率
- 通过工厂OTP编程实现的内置
- CTL1、CTL4和CTL5,用于G3’、G3、S5和S0状态选择
- GPO1和GPO2,用于PG_S0和PG_S5
- 开漏中断输出引脚
- I2C 接口支持
- 标准模式 (100kHz)
- 快速模式 (400kHz)
- 快速模式+ (1MHz)
应用
- 由2节、3节或4节串联锂离子电池供电的产品(NVDC或非NVDC)
- 壁式供电设计,尤其是通过12V电源供电的设计
- 平板电脑、超极本及笔记本电脑
- 移动PC和移动网络设备
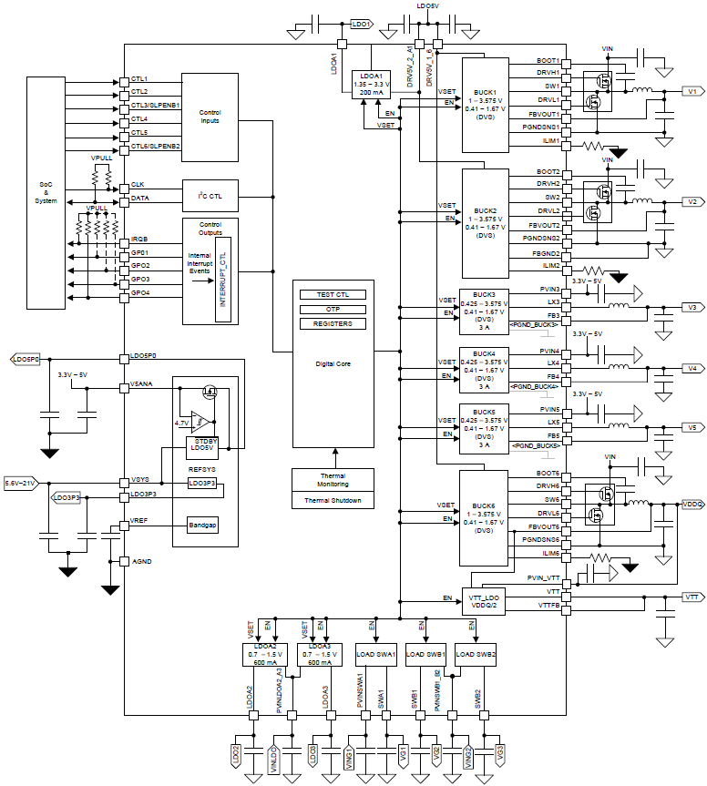
功能框图
发布日期: 2018-06-20
| 更新日期: 2023-03-01
