Texas Instruments TPS65094x可编程电源管理IC
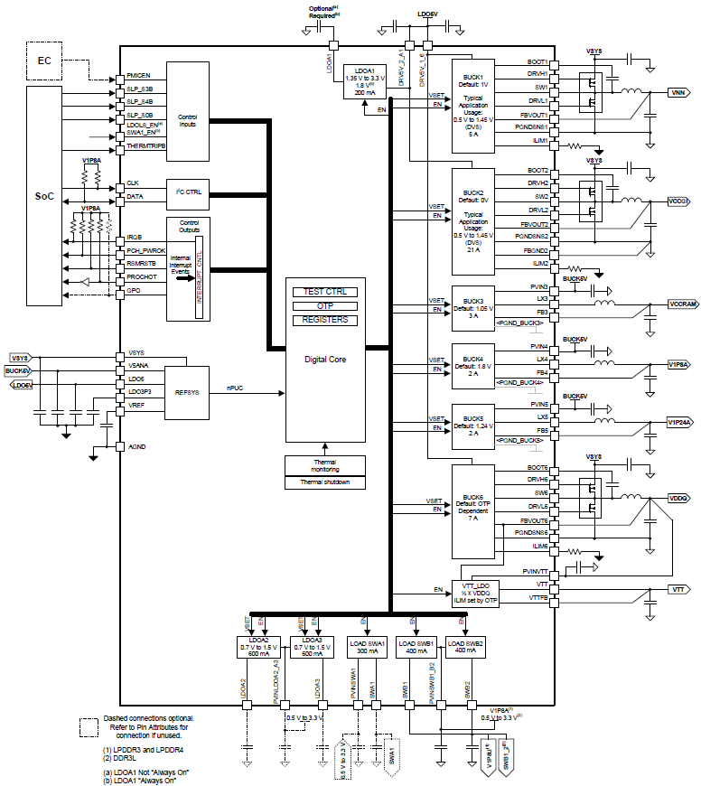
Texas Instruments TPS65094x可编程电源管理IC (PMIC)是一个单芯片解决方案,是专为最新Intel™处理器设计的电源管理集成芯片(PMIC)。这些器件针对平板电脑、超极本、笔记本电脑、工业PC和物联网 (IOT) 应用。这些应用使用2S、3S或4S锂离子电池组(NVDC或非NVDC电源架构)以及壁式供电应用。TPS65094x用于具有针对最小尺寸和最低成本系统电源而合并的低电压轨道的基本系统。TPS65094x提供基于英特尔参考设计的完整电源解决方案。六个高效降压稳压器 (VR)、一个灌或拉LDO (VTT) 和一个由上电序列逻辑控制的负载开关。该逻辑提供适当的电源轨、排序和保护,包括DDR3和DDR4内存电源。该稳压器支持动态电压调整 (DVS)(包括联网待机)以达到最大效率。这些高频稳压器采用小型电感器和电容器,以实现小解决方案尺寸。特性
- 5.6V - 21V宽VIN范围
- 三个可变输出电压同步
- 降压控制器,采用D-CAP2™拓扑
- BUCK1 (VNN) 的电流为5A,BUCK6 (VDDQ) 的电流为7A,使用外部FET的BUCK2 (VCCGI) 的电流为21A(针对典型 应用)
- I2C动态电压调节 (DVS) 控制(0.5V至1.45V,10mV步长),针对BUCK1和BUCK2
- 一次性可编程 (OTP) 的BUCK6默认输出电压 (VDDQ)
- 三个可变输出电压同步降压转换器,采用DCS-Control拓扑技术并支持I2C DVS功能
- VIN范围:4.5V - 5.5V
- 3A的BUCK3 (VCCRAM) 输出电流
- 2A的BUCK4 (V1P8A) 和BUCK5 (V1P24A) 输出电流(针对典型应用)
- 三个LDO稳压器,输出电压可调
- LDOA1: I2C 可选择输出电压,1.35V-3.3V,输出电流高达 200mA
- LDOA2 和 LDOA3:I2C 可选择输出电压, 0.7V-1.5V,输出电流高达 600mA
- VTT LDO,用于 DDR 存储器终端
- 三个具有转换率控制功能的负载开关
- 高达400mA的输出电流,压降小于1.5%的标称输入电压
- RDSON < 96mΩ(在输入电压为1.8V时)
- I2接口(设备地址为0x5E)支持:
- 标准模式 (100kHz)
- 快速模式 (400kHz)
- 快速模式+ (1MHz)
应用
- 由2节、3节或4节串联锂离子电池供电的产品(NVDC或非NVDC)
- 壁式供电设计,尤其是通过12V电源供电的设计
- 平板电脑、UltrabookTM和笔记本电脑
- 移动PC和移动网络设备
功能框图
发布日期: 2017-03-03
| 更新日期: 2022-04-07
