特性
- 三个可调节降压转换器,带集成的开关FET(DCDC1、DCDC2和DCDC3)
- DCDC1:0.85V默认值,高达1.8A
- DCDC2:1.1V默认值,高达1.8A
- DCDC3:3.3V默认值,高达1.8A
- VIN范围:2.7V至5.5V
- 可调输出电压范围:0.85V至1.675V(DCDC1和DCDC2)
- 可调输出电压范围:0.9V至3.4V (DCDC3)
- 轻负载电流下的省电模式
- 100%占空比,可实现最低压差
- 禁用时的有源输出放电
- 一个可调节-降压升压转换器,具有集成的开关FET (DCDC4):
- DCDC4:1.8V默认值,高达1.6A
- VIN范围:2.7V至5.5V
- 可调输出电压范围:1.175V至3.4V
- 禁用时的有源输出放电
- 两个静态电流低的高效降压转换器,用于备用电池域(DCDC5、DCDC6)
- DCDC5:1V输出
- DCDC2:1.8V输出
- VIN范围:2.2V至5.5V
- 通过系统电源或硬币型备用电池供电
- 可调节通用型LDO (LDO1)
- LDO1:1.8V默认值,高达400mA
- VIN范围:1.8V至5.5V
- 可调节输出电压范围:0.9V至3.4V
- 禁用时的有源输出放电
- 低压负载开关 (LS1),具有350mA电流限值
- VIN范围:1.2V至3.6V
- 1.35V时开关阻抗:110mΩ(最大值)
- 5V负载开关 (LS2),具有100mA或500mA可选电流限值
- VIN范围:3V至5.5V
- 5V时开关阻抗:500mΩ(最大值)
- 高压负载开关 (LS3),具有100mA或500mA的可选电流限值
- VIN范围:1.8V至10V
- 开关阻抗:500mΩ(最大值)
- 具有内置监管功能监控器的监管程序
- DCDC1、DCDC2 ±4%容差
- DCDC3、DCDC4 ±5%容差
- LDO1 ±5%容差
- 保护、诊断和控制:
- 欠压闭锁 (UVLO)
- 常开式按钮监控器
- 过热警告和关断
- 用于备用和主电源的独立式电源正常输出
- I2C接口(地址0x24)(参见在400kHz频率下 操作 I2C的时序要求)
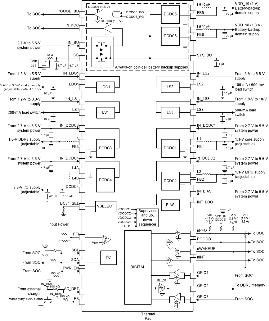
框图
发布日期: 2019-12-24
| 更新日期: 2024-02-15

