特性
- 工作输入电压范围:4.5V至17V
- 反馈基准电压:0.6V±1.33%
- 连续输出电流:5A/3A/2A
- 可调节时钟频率范围:250kHz至2.3MHz
- 外部同步振荡器
- 120°异相(Buck1、Buck2、Buck3)
- 针对每个降压转换器提供专用使能引脚
- 每个降压转换器固定SS时间 (2.4 ms)
- 自动上电/断电序列和降压间隔时间可调(6个组合)
- 支持脉冲跳跃模式 (PSM) 和强制连续电流模式 (FCCM)
- 输出电压电源良好指示器和可调延迟时间
- 热过载保护
- 32引脚QFN (RHB) 5mm×5mm封装
应用
- 数字电视
- 机顶盒/OTT
- 家庭网关和接入点网络
- 监控
Simplified Application Circuit
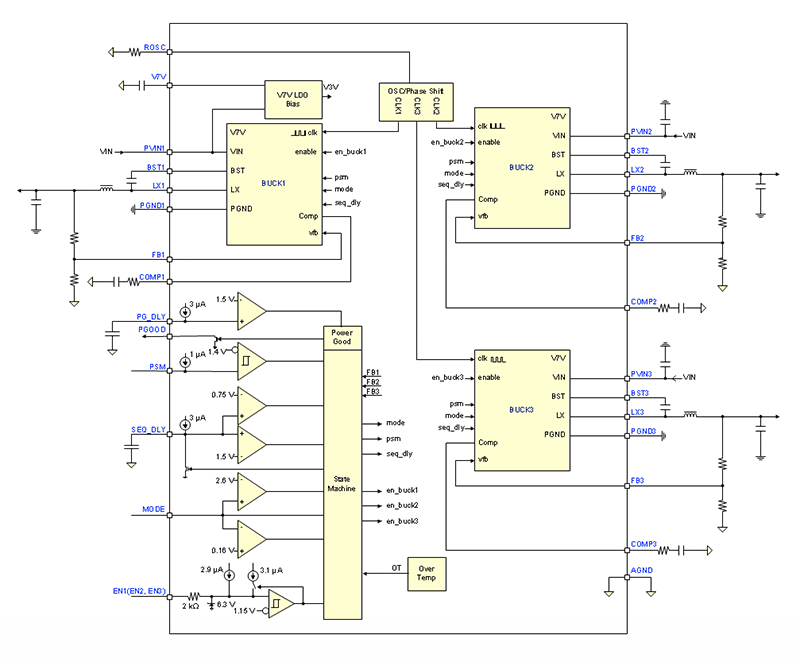
Block Diagram
Additional Resources
发布日期: 2016-01-15
| 更新日期: 2022-03-11

