Texas Instruments TPS65320D-Q1汽车LDO稳压器
Texas Instruments TPS65320D-Q1汽车LDO稳压器将高VIN直流-直流降压转换器与高VIN 280mA低压差 (LDO) 稳压器结合在一起,让设计更加灵活,以满足系统的需求。该降压稳压器具有100kHz至2.5MHz可调开关模式频率,该低压差 (LDO) 稳压器提供280mA高VIN电流能力,空载条件下的静态电流典型值为35µA。该降压稳压器集成有250mΩ高侧MOSFET,输入范围为3.6V至36V。LDO稳压器在无负载条件下具有典型的45μA低输入供电电流,还具有带低电平有效和推挽复位输出引脚的集成MOSFET。低纹波跳跃模式将空载输入电源电流降至140µA。内置保护功能包括软启动、限流、热传感以及由于功耗过高引起的关断。TPS65320D-Q1器件符合汽车应用类AEC-Q100认证。特性
- 符合汽车应用标准
- 具有符合AEC-Q100标准的下列结果:
- 器件温度等级1:-40°C至+125°C的环境工作温度范围
- 器件人体模型 (HBM) 静电放电 (ESD) 分类等级2
- 器件充电器件模型 (CDM) ESD分类等级C4B
- 一个高VIN降压直流-直流转换器
- 输入电压范围:3.6V至36V
- 250mΩ高侧MOSFET
- 最大负载电流为3.2A,输出的可调节范围为1.1V至20V
- 可调开关频率:100kHz至2.5MHz
- 与外部时钟同步
- 利用脉冲跳跃Eco-mode™控制方案在轻负载条件下实现了高效率
- 140µA最大静态工作电流
- 一个低压差 (LDO) 稳压器
- 输入电压范围为3V至20V,具有自动拉电流功能,平衡效率和低待机电流
- 空载条件下的电流能力为280mA,静态电流典型值为35µA
- 电源良好输出(推挽)
- IO=200mA(典型值)下具有300mV低压降电压
- 两款稳压器均可提供过流保护
- 过热保护
- 14引脚HTSSOP封装(采用PowerPAD™集成电路封装)
应用
- 汽车信息娱乐和仪表板
- 高级辅助驾驶系统 (ADAS)
- 汽车远程信息处理、紧急呼叫
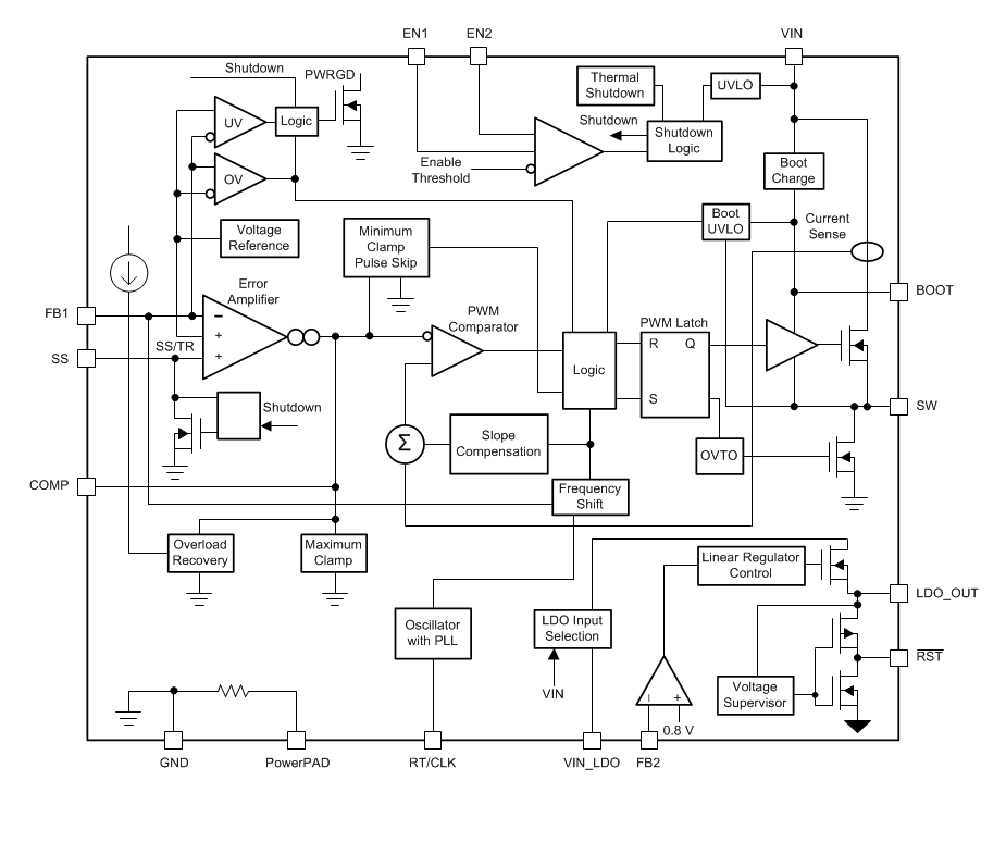
框图
发布日期: 2018-08-14
| 更新日期: 2023-03-09
