Texas Instruments TPS65321A-Q1汽车3.2A降压转换器
Texas Instruments TPS65321A-Q1汽车3.2A降压转换器将具有100kHz至2.5MHz可调开关模式频率的高VIN直流-直流降压转换器与高VIN 280mA低压差 (LDO) 稳压器结合在一起。该降压转换器的输入范围为3.6V至36V,LDO稳压器的范围为3V至36V。该降压稳压器集成高侧MOSFET,带低电平有效、开漏电源良好输出引脚 (nRST),设计更加灵活,可满足不同系统需求。LDO稳压器在无负载模式下具有45μA(典型值)低输入电流。TPS65321A-Q1具有低电压追踪功能,能够在冷起动条件下追踪输入电源。该器件内置保护功能,例如软启动、限流、热传感以及由于功耗过高引起的关断。此外,TPS65321A-Q1具有内部欠压闭锁 (UVLO) 功能,当电源电压过低时可以关闭器件。TPS65321A-Q1器件符合汽车应用类AEC-Q100认证。特性
- 符合汽车应用标准
- 具有符合AEC-Q100标准的下列结果:
- 器件温度等级1:-40°C至+125°C的环境工作温度范围
- 器件人体模型 (HBM) 静电放电 (ESD) 分类等级2
- 器件充电器件模型 (CDM) ESD分类等级C4B
- 一个高VIN降压直流-直流转换器
- 输入电压范围:3.6V至36V
- 250mΩ高侧MOSFET
- 最大负载电流为3.2A,输出的可调节范围为1.1V至20V
- 可调开关频率:100kHz至2.5MHz
- 与外部时钟同步
- 利用脉冲跳跃Eco-mode™控制方案在轻负载条件下实现了高效率
- 140µA最大静态工作电流
- 复位输出引脚(低电平有效,开漏)
- 一个高VIN低压降 (LDO) 稳压器
- 输入电压范围:3V至36V
- 空载条件下的电流能力为280mA,静态电流典型值为35µA
- IO=200mA(典型值)下具有300mV低压降电压
- 两款稳压器均可提供过流保护
- 过热保护
- 14引脚HTSSOP封装(采用PowerPAD™集成电路封装)
应用
- 汽车信息娱乐和仪表板
- 高级辅助驾驶系统 (ADAS)
- 汽车远程信息处理、紧急呼叫
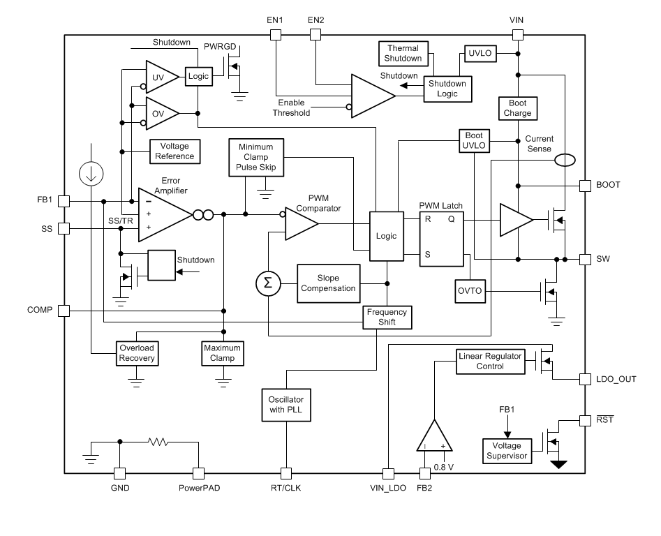
框图
发布日期: 2018-11-15
| 更新日期: 2025-03-06
