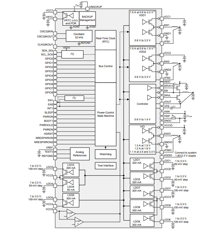
通过双处理器内核支持由专用I2C接口进行动态电压调节。这些处理器内核采用两个降压转换器供电,可实现最佳节能效果。第3个转换器则负责为系统中的I/O和存储器供电。八个通用LDO稳压器具有各种电压和电流能力。五个LDO稳压器支持1至3.3V,阶跃为100mV。其它三个稳压器(LDO1、LDO2、LDO4)支持1.0至3.3V,阶跃为50mV。I2C接口完全控制所有LDO稳压器。具有EEPROM可编程性的嵌入式功率控制器 (EPC) 管理系统和RTC的电源排序需求。
特性
- 两个独立使能信号,用于控制电源(EN1、EN2)
- 或者,EN1和EN2引脚可用作高速I2C接口,专门用于VDD1和VDD2电压调节
- 实时时钟 (RTC) 资源,带有:
- 32.768kHz晶体振荡器或32kHz内置RC振荡器
- 日期、时间和日历
- 警报功能
- 9个支持多路复用特性的可配置GPIO接口:
- 其中4个可用作外部资源的使能端,包含在加电序列中,由状态机进行控制
- 作为GPI,GPIO支持逻辑电平检测并可针对唤醒生成可屏蔽中断
- 其中的2个GPIO具有驱动LED所需的10mA灌电流能力
- 通过1个外部3MHz时钟实现的直流/直流转换器开关同步
- 两个复位输入:
- 冷复位 (HDRST)
- 用于热复位输入的电源初始化复位 (PWRDN)
- 用于系统的32kHz时钟和复位 (NRESPWRON) 以及用于复位信号的附加输出
- 看门狗
- 个开关LED脉冲发生器和1个PWM发生器
- 两个用于系统控制的比较器,连接至VCCS引脚
- JTAG和边界扫描(在功能模式下不可访问 [测试目的])
- 具有EEPROM可编程性的嵌入式功率控制器 (EPC)
- 两个用于处理器内核的高效降压直流/直流转换器(VDD1、VDD2)
- 一个用于I/O电源的高效降压直流/直流转换器 (VIO)
- 一个用于外部FET的控制器 (VDDCtrl)
- 用于处理器内核的动态电压调节 (DVS)
- 8个低压降 (LDO) 电压稳压器和1个实时时钟 (RTC) LDO(为内部RTC供电)
- 热关断保护和热模检测
- 一个用于通用控制命令的高速高速I2C接口 (CTL-I2C)
应用
- 便携式系统
- 手持系统
框图
发布日期: 2018-09-28
| 更新日期: 2023-05-31

