TI TPS7B84-Q1低压差稳压器支持固定和可调输出类型。宽输出电压范围使该器件能够为碳化硅 (SiC) 栅极驱动器和麦克风以及功率MCU和处理器产生偏置电压。
LDO稳压器具有最先进的瞬态响应能力,可使输出对负载或线路的变化做出快速反应(例如,在冷启动条件下)。此外,TPS7B84-Q1采用全新架构,可最大限度地减少从压差恢复时的输出过冲。在正常运行期间,该设备在线路、负载和温度条件下的直流精度为±0.75%。
TPS7B84-Q1 LDO稳压器采用SOT223封装和带可湿性侧翼的小型VSON封装,便于进行紧凑型印刷电路板 (PCB) 设计。尽管整个器件耗散高,但热阻低,因此可持续运行。
特性
- 符合汽车应用类AEC-Q100标准
- 温度等级1:-40°C至+125°C,TA
- 结温:-40°C至+150°C,TJ
- 输入电压范围:3V至40V(最大42V)
- 输出电压范围
- 可调输出:1.2 V至18 V
- 3.3V和5V固定输出
- 输出电流高达150 mA
- 输出电压精度:±0.75%(最大值)
- 150mA (VOUT ≥ 3.3V)时,压差电压低至225mV(最大值)
- 低静态电流
- 18 µA(典型值)
- 4 µA(禁用时最大值)
- 出色的线路瞬态响应
- 冷启动期间的VOUT 偏差为±2%
- VOUT 偏差为±2%(VIN 转换速率为1V/µs)
- 与2.2µF或更高的电容器搭配使用时可保持稳定
- 功能安全
- 可提供文档,协助功能安全系统设计
- 封装选项:
- DRB(8引脚VSON),RθJA 为50.8°C/W
- DCY(4引脚SOT-223),RθJA 为85.5°C/W
应用
- 常开型电池连接应用
- 汽车网关
- 遥控无钥匙进入 (RKE)
- 可重新配置仪表组
- 车身控制模块 (BCM)
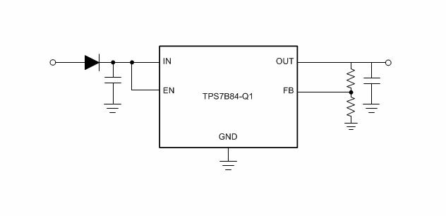
典型应用示意图
发布日期: 2020-12-22
| 更新日期: 2025-03-05

