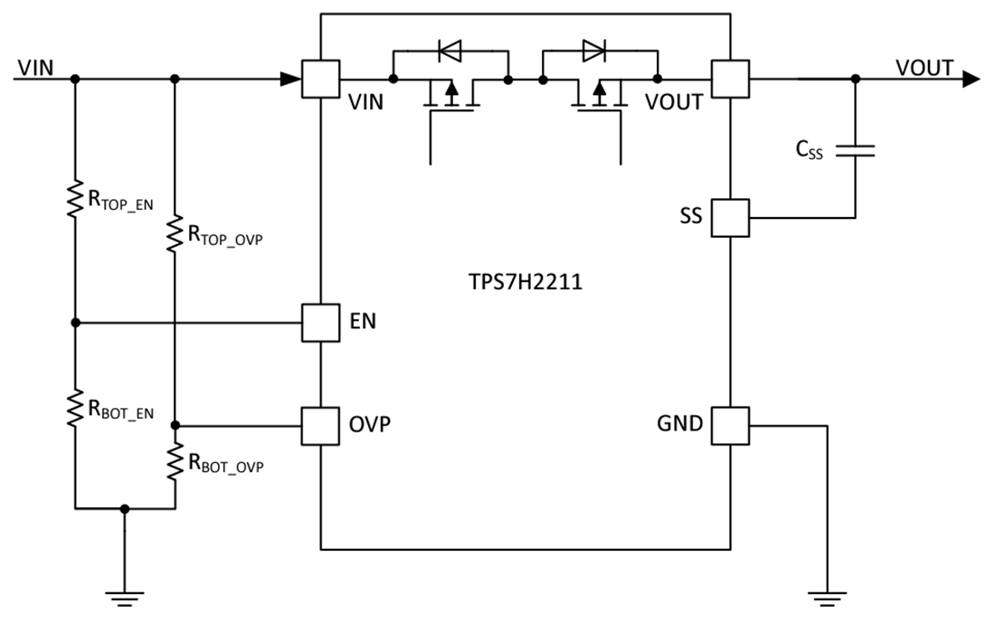
该开关由开/关输入 (EN) 控制,输入可直接连接低压控制信号。过压保护和软启动可通过OVP和SS引脚使用少量外部元件进行编程。Texas Instruments TPS7H2211采用塑料和陶瓷封装,带有外露散热垫,可提高散热性能。
特性
- 100krad(Si)的总电离剂量(TID)特征与100krad(Si)的辐射硬度保证可用性
- 确定了单粒子效应 (SEE)
- 单粒子锁定(SEL)、单粒子烧毁(SEB)和单粒子栅穿(SEGR)抗线性能量传递(LET)能力 = 75MeVcm2/mg
- 单粒子功能中断(SEFI)和单粒子瞬态(SET)特性达到LET = 75MeVcm2/mg
- 集成式单通道电子保险丝
- 低导通电阻(RON):最大60mΩ(在25°C和VIN = 12V时)
- 输入电压范围:4.5 V至14 V
- 最大连续开关电流:3.5 A
- 低控制输入阈值有助于使用1.2V、1.8V、2.5V和3.3V逻辑
- 可配置上升时间(软启动)
- 反向电流保护(RCP)
- 过压保护 (OVP)
- 内部电流限制(快速跳闸)
- 热关断
- 陶瓷和塑料封装带散热焊盘
应用
- 卫星电力系统 (EPS)
- 冷备用电源(冗余)
- 命令和数据处理
- 通信有效载荷
- 经辐射硬化,可接受电源树
视频
简化示意图
发布日期: 2024-10-08
| 更新日期: 2024-10-15

