Texas Instruments TPS92520-Q1同步降压LED驱动器
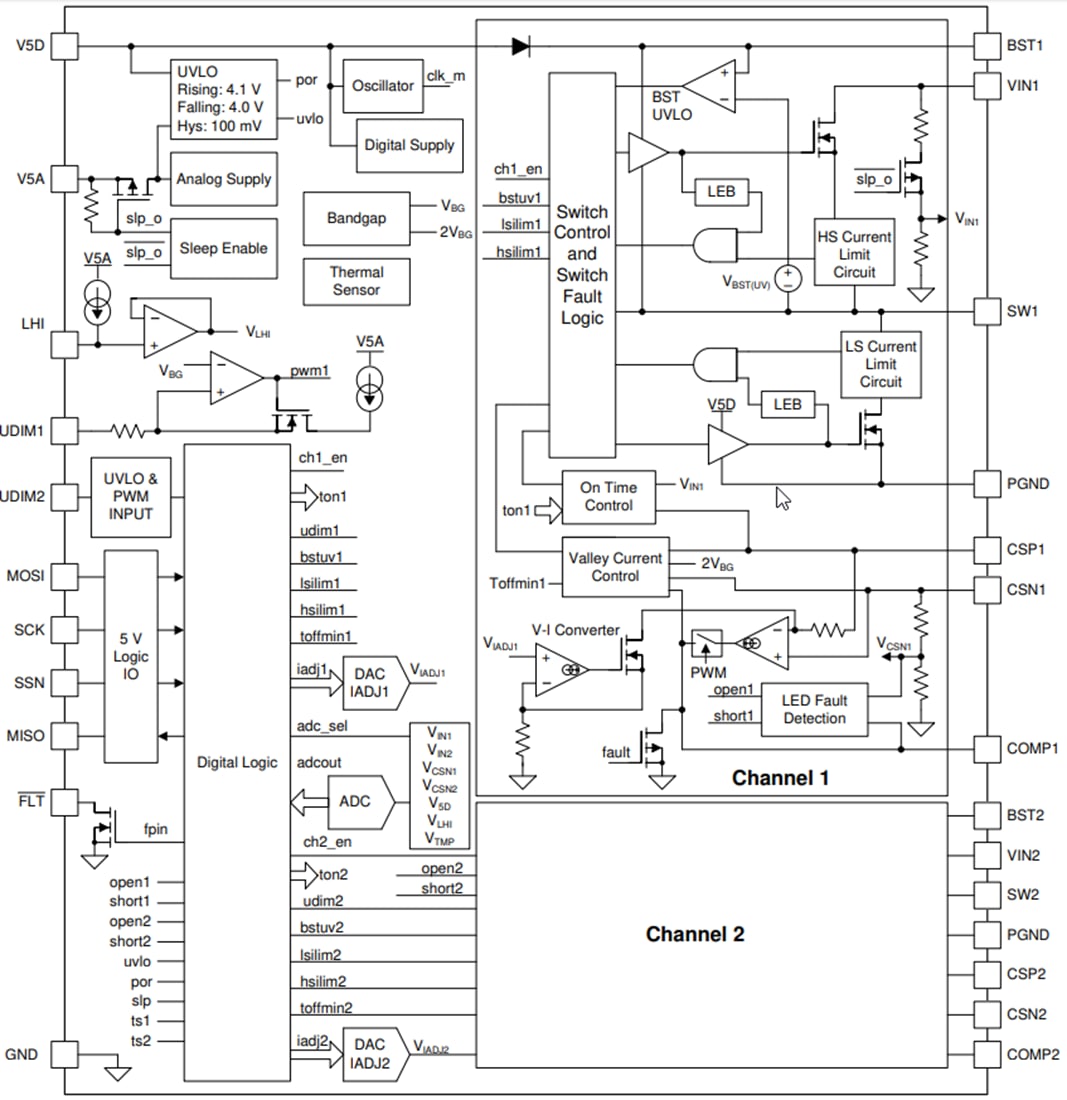
Texas Instruments TPS92520-Q1同步降压LED驱动器是一款单片双路同步降压LED驱动器,具有4.5V至65V的宽工作输入电压范围,可独立为两串串联LED供电。TPS92520-Q1实现了自适应导通时间平均电流模式控制,设计用于与分流FET调光技术和基于LED矩阵管理器的动态波束前照灯兼容。自适应导通时间控制可提供几乎恒定的开关频率,频率设置范围为100kHz至2.2MHz。Texas Instruments TPS92520-Q1的电感器电流感应和闭环反馈功能可在较宽的输入电压、输出电压和环境温度范围内实现优于 ±4%的精度。这款高性能LED驱动器可以通过模拟或PWM调光技术独立调制LED电流。通过SPI对10位IADJ值进行编程,可获得超过16:1范围的线性模拟调光响应。通过直接调制具有所需占空比的相应UDIM输入引脚,或启用内部PWM发生器电路,可实现LED电流的PWM调光。通过比较10位PWM寄存器与可编程数字计数器的数值,PWM发生器可将10位PWM寄存器值转化为相应的占空比。
TPS92520-Q1集成了先进的SPI可编程诊断和故障保护功能,包括逐周期开关电流限制、自举欠压、LED开路、LED短路、热警告和热关断。板载10位ADC对监测和诊断系统运行状况所需的重要输入参数进行采样。TPS92520-Q1采用8.1mmx11mm热增强型32引脚HTSSOP封装,具有2.75mmx3.45mm顶部裸露和底部裸露焊盘。
特性
- 符合汽车应用类AEC-Q100标准
- 环境工作温度1级:–40°C至125°C
- 器件HBM分类等级H1C
- 器件CDM分类等级C5
- 支持功能安全
- 可提供文档,协助功能安全系统设计
- 宽输入电压范围:4.5V至65V
- 连续输出电流高达1.6A,精度为4%
- 自适应导通时间平均电流控制
- 可编程开关频率:100kHz至2.2MHz
- 逐周期开关过流保护
- 高级调光操作
- 10位精密模拟调光
- 10位精密内部PWM调光
- 支持外部PWM调光输入
- 优化用于外部分流调光,包括LED矩阵管理器
- 开关热保护
- 串行外设接口 (SPI)
- 可配置模拟基准、开关频率和PWM调光占空比
- 故障监测和报告
- Limp-home (LH) 和独立模式运行
应用
- 汽车前灯和自适应LED驱动模块
功能框图
发布日期: 2020-07-01
| 更新日期: 2025-03-06
