Texas Instruments TPS92530-Q1 3通道同步降压LED驱动器
Texas Instruments TPS92530-Q1 3通道同步降压LED驱动器具有4.5V至65V的宽工作输入电压范围,可独立为三个串联LED灯串供电。TPS92530-Q1实现自适应导通时间平均电流模式控制,设计用于产生恒定电压或恒定电流输出。自适应导通时间控制提供几乎恒定的开关频率,可设置在100kHz至1.2MHz之间。该器件兼容分流FET调光技术和恒流模式下基于LED矩阵管理器的动态光束前照灯。在恒压模式下,自适应导通时间控制能够以快速瞬态响应实现高带宽运行。借助电感器电流检测和闭环反馈,可在宽输入电压、输出电压和环境温度范围内实现优于 ±4%的精度。在恒流模式下,高性能LED驱动器可以使用模拟或PWM调光技术独立调制LED电流。通过SPI对10位基准值 (CHxREF) 进行编程,可获得超过16:1范围的线性模拟调光响应。通过直接调制具有所需占空比的相应UDIM输入引脚或启用内部PWM发生器电路,可实现LED电流的PWM调光。通过将10位PWM寄存器值与可编程数字计数器进行比较,PWM发生器将其转换为相应的占空比。
Texas Instruments TPS92530-Q1集成了先进的SPI可编程诊断和故障保护功能,具有逐周期开关电流限制、自举欠压、LED开路、LED短路、过热警告和热关断等特性。板载10位ADC对系统健康监测和诊断所需的关键输入参数进行采样。
特性
- 符合汽车应用类AEC-Q100标准
- 1级(-40°C至125°C环境工作温度)
- 器件人体模型 (HBM) 分类等级H1C
- 器件CDM分类等级:C5
- 确保功能安全
- 可提供文档,协助功能安全系统设计
- 宽输入电压范围:4.5 V至65 V
- 可配置的恒定电压和恒定电流操作
- 连续输出电流高达2 A
- 调节精度:4%(电压和电流模式)
- 自适应导通时间平均电流控制
- 可编程开关频率:100kHz至1.2MHz
- 高级调光操作
- 10位精密模拟调光
- 10位精密内部PWM调光
- 支持外部PWM调光输入
- 优化用于外部分流调光,包括LED矩阵管理器
- 逐周期开关过流保护
- 开关热保护
- 串行外设接口(SPI)
- 可配置模拟基准、开关频率和PWM调光占空比
- 故障监测和报告
- Limp-home (LH) 和独立模式运行
应用
- 汽车前灯和自适应LED驱动模块
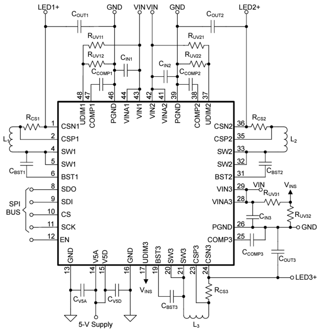
简化示意图
发布日期: 2024-03-20
| 更新日期: 2024-03-27
