Texas Instruments TPSI3052/TPSI3052-Q1隔离式开关驱动器
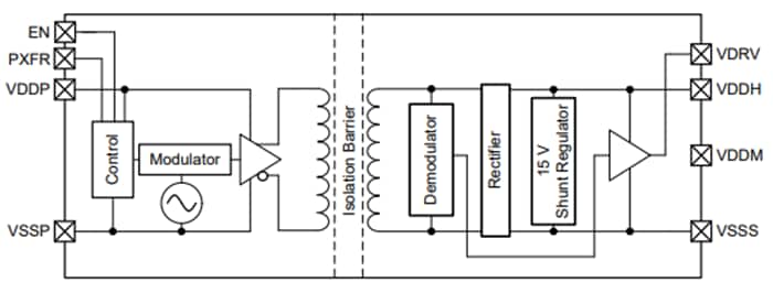
Texas Instruments TPSI3052/TPSI3052-Q1隔离式开关驱动器与外部电源开关结合使用时会完全集成,形成一个完全隔离的固态继电器 (SSR)。 凭借15V的标称栅极驱动器电压和1.5/3.0A的峰值灌电流和拉电流,可以选用多种外部电源开关来满足广泛的应用范围。TPSI3052/TPSI3052-Q1根据初级侧接收的电源产生自己的次级偏置电源,因此无需隔离式次级电源偏置。此外,TPSI3052/TPSI3052-Q1还可以选择性地为外部支持电路供电,以满足各种应用需求。TPSI3052-Q1器件符合AEC-Q100汽车应用标准。特性
- 无需隔离式次级电源
- 驱动外部功率晶体管或SCR
- 5kVRMS 增强型隔离
- 具有1.5A/3A峰值拉电流和灌电流的15V栅极驱动
- 适用于外部辅助电路的最高50mW电源
- 支持交流或直流开关
- 支持两线或三线模式
- 支持功能安全:
- 来辅助功能安全系统设计的文档
- 七个功率传输电平,电阻可选
- 符合AEC-Q100汽车应用标准:
- 器件温度等级1 TA:–40°C至125°C
- 安全相关认证
- 计划:符合DIN EN IEC 60747-17 (VDE 0884-17) 标准的7071VPK 增强型隔离
- 计划:符合UL 1577标准长达1分钟的5kVRMS 隔离
应用
- 固态继电器 (SSR)
- 电池管理系统
- 板载充电器
- 混合动力、电动和动力总成系统
- 楼宇自动化
- 工厂自动化和控制
框图
应用示意图
发布日期: 2023-02-20
| 更新日期: 2025-06-02
