与使用传统机械继电器和光耦合器的产品相比,Texas Instruments TPSI3100/TPSI3100-Q1驱动器具有更高的可靠性、更低功耗和更宽的温度范围。这些驱动器用于车载充电器、固态继电器、楼宇自动化和电池管理系统等应用。
特性
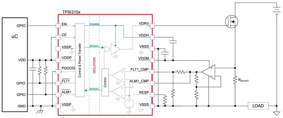
- 驱动外部功率晶体管
- 无需隔离次级电源
- 15.8V栅极驱动,1.5A/2.5A峰值源电流和灌电流
- 5kVRMS增强型隔离
- 适用于外部辅助电路的高达25mW、5V电源
- 具有集成电压基准±1.5%的双通道隔离式高速比较器
- 开漏输出,用于故障和报警指示器
- 符合AEC Q-100标准,适用于汽车应用(TPSI3100-Q1)
- 温度等级1:–40°C至+125°C(TA)
- 支持功能安全
- 来辅助功能安全系统设计的文档
- 安全相关认证
- 计划:符合DIN EN IEC 60747-17(VDE 0884-17)标准的7070VPK增强型隔离
- 计划:符合UL1577标准、长达1分钟的5kVRMS隔离
应用
- 固态继电器
- 电池管理系统
- 车载充电器
- 混合动力、电动和动力传动系统
- 楼宇自动化
- 工厂自动化和控制
简化原理图
发布日期: 2024-02-09
| 更新日期: 2025-11-14

