Texas Instruments TPSM8287Axx可在固定频率或省电模式下运行。遥感功能优化了负载点的电压调节,该器件在整个温度范围内实现了±0.8%的DC电压精度。这些器件可以在堆叠、并联模式下运行,以提供更高的输出电流,或将功率耗散分散到多个器件上。I2C兼容接口提供多种控制、监测和警报功能。启动电压可通过VSETx引脚进行选择,以便在没有活动I2C通信的情况下上电。
特性
- 输出电压精度:±0.8%
- 差分遥感
- 可并行多相运行
- 启动输出电压可通过VSETx引脚以50mV步长在0.40V到3.35V之间选择,I2C可以按1.25mV步长进行调节
- 通过VSETx引脚可选择五个I2C地址
- 经过优化满足低EMI要求
- 无引线键合封装
- 内部输入电容器
- 通过并行输入路径简化布局
- 可选择与外部时钟同步或扩频操作
- 可调式外部补偿,用于宽输出电容范围和优化瞬态响应
- 省电模式或强制PWM运行
- 精密使能输入阈值
- 具有窗口比较器的电源正常输出
- 有源输出放电
- 出色的热性能
- 工作温度范围:-40 °C至+125 °C
- 4.5mm×6.8mm QFN封装,间距0.5mm
- 设计尺寸:77mm2
应用
- FPGA、ASIC和数字内核电源
- 光纤网络
- 存储器
- DDR存储器电源
- 测试与测量设备
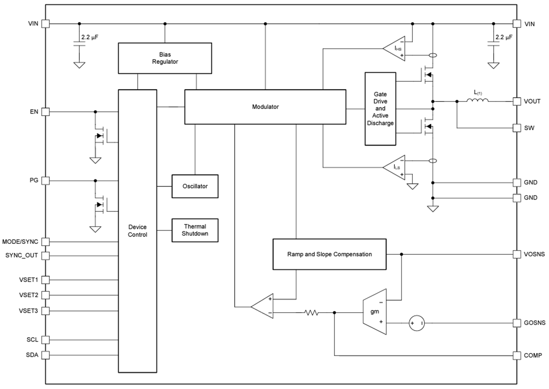
功能框图
发布日期: 2024-03-11
| 更新日期: 2024-10-17

