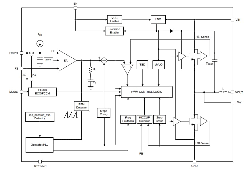
TI TPSM843321采用固定频率峰值电流控制,并内置补偿电路,以实现快速的瞬时响应和出色的线路和负载调节。由于内部回路补偿得到优化,该器件在宽输出电压范围和切换频率下消除了对外部补偿的需求。
TPSM843321提供了保护功能,包括热关闭、输入欠压锁定、逐周期电流限制和断续短路保护。
该器件采用9引脚、3.3mm × 4.5mm QFN封装设计,引脚分配适用于单层PCB布局。此外,TPSM843321的结温范围为-40°C至125°C。
特性
- 配置用于各种应用
- 3.8 V 到 18 V 的输入电压范围
- 输出电压范围:0.6 V至12 V
- 高达3 A连续输出电流
- 参考电压:0.6V ±1%(-40°C至125°C)
- 低静态电流:28uA(典型值)
- 最短开启、关闭时间:70ns,114ns
- 最大开关导通时间:8us
- 最大占空比:98%
- 易于使用,设计尺寸小
- 带内部补偿的峰值电流控制模式
- 可选频率:200 kHz至2.2 MHz
- 可与外部时钟同步(支持相移):200kHz至2.2MHz
- 可在轻载条件下选择PFM/FCCM
- 工作结温范围:-40°C至125°C
- 可选择调节软启动时间/电源良好指示器功能
- 通过展频频谱和经优化的引脚排列实现良好的EMI性能
- 适用于高侧与低侧MOSFET的断续过流 (OC) 限值
- 适用于过热保护 (OTP)、过流保护 (OCP)、过压保护 (OVP)、欠压保护 (UVP) 和欠压锁定 (UVLO) 的非锁存保护
- 集成自举电容器和电感器,支持轻松的PCB布局
- 3.3 mm x 4.5 mm x 2 mm QFN封装
- 使用TPSM843321并借助WEBENCH® Power Designer创建定制设计方案
应用
- 医疗和保健
- 测试与测量
- 楼宇自动化
- 有线网络、无线基础设施
- 具有5V、12V输入的分布式电源系统
简化原理图
功能框图
发布日期: 2025-06-03
| 更新日期: 2025-06-12

