Texas Instruments TPSM8S6C24SEVM 驱动评估模块
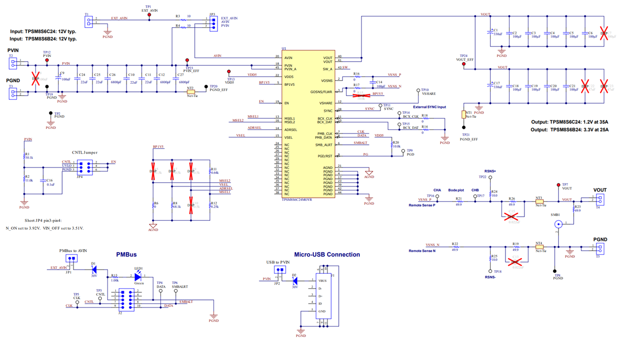
Texas Instruments TPSM8S6C24SEVM评估模块旨在评估TPSM8S6C24器件,并熟悉该器件直至达到对 PmBus® 命令和扩展写保护的深入了解。 TPSM8S6C24是可配置的单输出降压转换器模块。该评估模块可在5V至16V输入电压范围内工作。TPSM8S6C24SEVM评估板使用标称12V总线在高达 35A的负载电流下产生1.2V稳压输出电压。该评估模块可通过PmBus接口进行编程和监控。TPSM8S6C24SEVM板用于数据中心、机架服务器、有源天线系统、远程无线电、基带单元、自动测试设备、MRI、ASIC、SoC和FPGA。特性
- 使用EVM上提供的测试点评估TPSM8S6C24电源模块
- 使用Fusion GUI评估TPSM8S6C24设备配置和监控
- 1.2V稳压输出电压
- 高达35A直流输出负载电流
- 用于探测关键波形的便捷测试点
- PMBus连接器可轻松连接USB适配器
应用
- 有源天线系统
- 数据中心交换机和机架服务器
- 远程无线电和基带单元
- 自动化测试设备、CT、PET和MRI
- ASIC、SoC、FPGA、DSP内核和I/O电压
原理图
发布日期: 2024-01-10
| 更新日期: 2024-02-01
