TRF1305具有一个VOCM引脚,允许设置不同的输出共模电压和输入共模电压(如用于电平转换或大多数具有不同直流共模电压的IQ 降压转换器ADC接口应用)。该器件具有浮动双轨分开电源或单电源选项,并且具有MODE引脚,可将输入共模范围扩展至更接近电源。该器件具有较高的通道间隔离特性,因此可用于复杂的IQ 发送或接收信号链,而不会丧失信号完整性。
Texas Instruments TRF1305具有允许用户单独关断每个通道的功能。该器件采用TI专有的先进BiCMOS工艺制造,并采用节省空间的2.5mm × 3.0mm、16引脚WQFN-FCRLF封装。
特性
- 三种性能优化的功率增益版本
- 5dB (TRF1305A2)
- 10dB (TRF1305B2)
- 15dB (TRF1305C2)
- 预设增益可通过外部电阻器降低
- 大信号高带宽
- TRF1305B2:7GHz (3dB),6.5GHz (1dB)
- OP1dB(100Ω差分负载)
- 16dBm (2GHz),12.5dBm (4GHz)
- OIP3:34dBm (2GHz),24dBm (4GHz)
- 噪声系数:10.2dB (2GHz),12dB (4GHz)
- 转换速率:25kV/µs
- 大输入 (±1V) 和输出 (±0.5V) 共模电压范围
- 灵活的配置和模式
- 单端输入、差分输出 (S2D)
- 差分输入、差分输出 (D2D)
- 单端输出(限制了性能)
- 交流或直流耦合输入/输出
- 可调节输出共模电压
- 输入共模范围扩展模式
- 支持5V,灵活的单电源或分开电源配置
- 有功功率耗散:每通道500mW
- 支持每个通道关断
应用
- 射频采样或GSPS ADC驱动器
- 测试与测量
- 无线通信测试
- 高速数据采集
- 示波器 (DSO)
- 高速数字转换器
- 频谱分析仪
- 矢量信号收发器 (VST)
- 共模电平转换
- 射频有源巴伦
- I/Q混频器接口
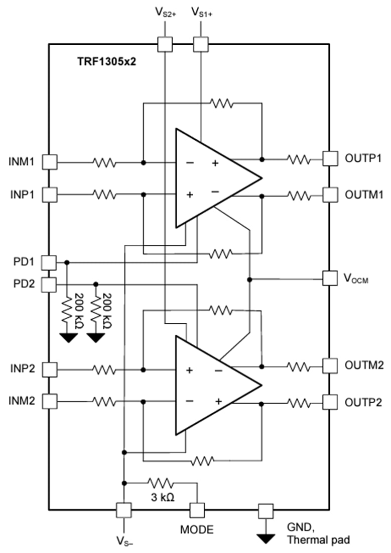
功能框图
发布日期: 2024-04-15
| 更新日期: 2025-02-22

