特性
- 符合汽车应用类AEC-Q100标准 (TS3A5017-Q1)
- 器件温度:–40°C至125°C,TA
- 器件HBM分类等级:±1500V
- 器件CDM分类等级:±1000V
- 支持断电保护,当VCC=0V时,I/O引脚处于高阻抗状态 (TS3A5017-Q1)
- 低电荷注入
- 低通态电阻
- 出色的通态电阻匹配
- 低总谐波失真 (THD)
- 2.3V至3.6V单电源操作
- 闭锁性能超过100mA,符合JESD 78 II类标准
- 关断模式隔离,V+=0 (TS3A5017)
应用
- 采样和保持电路
- 信息娱乐系统音频和视频信号路由
- 远程信息处理控制单元
数据手册
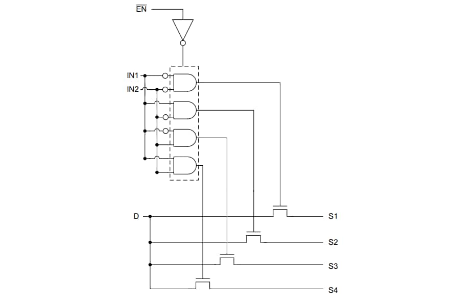
框图
发布日期: 2018-11-21
| 更新日期: 2023-07-24

