Texas Instruments TS3DS10224 High-Speed 2:4 Differential Mux / Demux
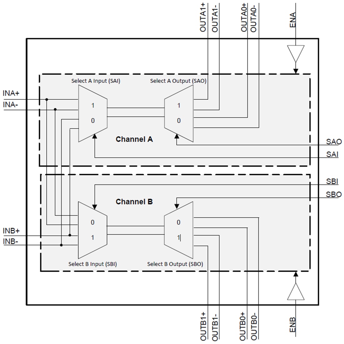
Texas Instruments TS3DS10224 High-Speed Differential Crosspoint is a high-speed 2:4 bidirectional multiplexer for high-speed differential and single-ended signal applications up to 720Mbps. The TS3DS10224 can be used in a 1:4 or dual 1:2 multiplexer/demultiplexer configuration. The device offers high bandwidth (BW) of 1.2GHz with a RON of 13Ω (Typ). The TS3DS10224 high-speed differential multiplexer/demultiplexer can also be used to fan out a differential or single-ended signal pair to two ports simultaneously (fan-out configuration). The BW performance is lower in this configuration. Texas Instruments TS3DS10224 is designed for use in desktop and notebook computers DisplayPort auxiliary channel multiplexing, USB 2.0 multiplexing, and tablets/netbooks.Features
- Can be configured for
- Differential Crosspoint Switching
- Differential Single Channel 1:4 Multiplexer and Demultiplexer
- Differential 2-Channel 1:2 Multiplexer and Demultiplexer
- Differential Fan-Out of Signal Pair to Two Ports Simultaneously
- Bidirectional Operation
- Fail-Safe Protection: IOFF Protection Prevents Current Leakage in Powered-Down State (VCC = 0V)
- High BW (1.2GHz Typical)
- Low RON and CON
- 13Ω RON Typical
- 9pF CON Typical
- ESD Performance (I/O Pins)
- ±8kV Contact Discharge (IEC61000-4-2)
- 2kV Human-Body Model per JESD22-A114E (to GND)
- ESD Performance (All Pins)
- 2kV Human-Body Model per JESD22-A114E
- Small WQFN package (3.00mm×3.00mm, 0.4mm pitch)
Applications
- Differential Crosspoint Switching
- Desktop and Notebook Computers
- DisplayPort Auxiliary Channel Multiplexing
- USB 2.0 Multiplexing
- Netbooks, eBooks, and Tablets
Functional Block Diagram
发布日期: 2012-02-02
| 更新日期: 2022-03-11
