Texas Instruments TUSB1142具有创新的自适应接收器均衡 (AEQ) 特性。AEQ功能将自动确定其认为TUSB1142和USB设备(插入USB连接器)之间的最佳ISI补偿设置,从而提高互操作性。TUSB1142采用3.3V单电源供电,采用40引脚WQFN封装。
特性
- USB Type-C 2:1转接驱动器MUX
- 支持USB 3.2 5Gbps和10Gbps
- 高级USB电源管理
- 活动:550mW(典型值)
- 断开:1.5mW
- 禁用 (EN = 低):0.130mW
- 16个EQ设置,5GHz时高达12dB
- 为面向USB连接器的端口提供自适应或固定接收器均衡选择
- 面向系统端口(SSRX发射器)的线性或有限转接驱动器之间的选择
- 小于1V VTX-CM和VRX-CM
- 通过I2C或引脚搭接进行配置
- 在1.8V或3.3V I2C电平之间选择
- 在3.3V单电源下工作
应用
- 笔记本电脑和台式电脑
- 扩展坞
- 数据存储
- 联网外围设备和打印机
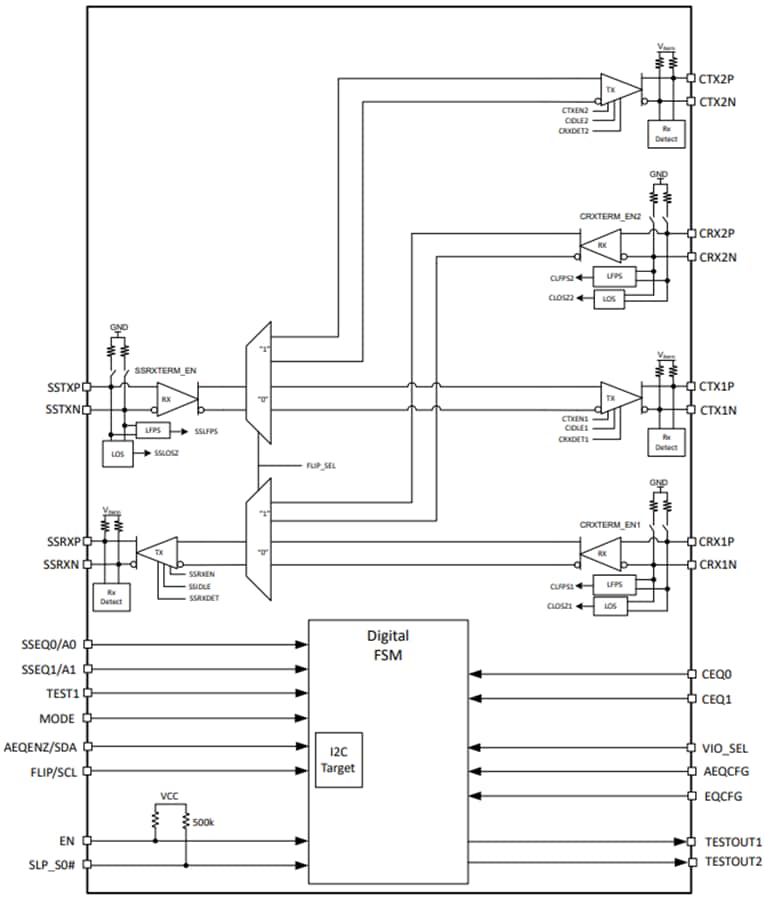
功能框图
发布日期: 2022-05-20
| 更新日期: 2022-06-15

