特性
- USB Type-CTM规范1.1
- 向后兼容USB Type-C规范1.0
- 支持高达3A的电流通告和检测
- 模式配置
- 仅主机 - 下行端口 (DFP)/源设备(仅限I2C模式)
- 仅器件 - 上行端口 (UFP)/接收设备(仅限I2C模式)
- 双角色端口 – DRP
- 通道配置(CC)
- USB端口连接检测
- 电缆方向检测
- 角色检测
- Type-C电流模式(默认、中等和高)+u
- VBUS检测
- I2C或GPIO控制
- 针对有源电缆提供VCONN支持
- 外部开关电缆检测与方向控制
- 通过I2C实现角色配置控制
- 电源电压:4.5V至5.5V
- 低电流消耗
- 工业温度范围:–40°C to 85°C
应用
- 主机、器件、双角色端口应用
- 移动电话
- 平板电脑和笔记本电脑
- USB外围设备
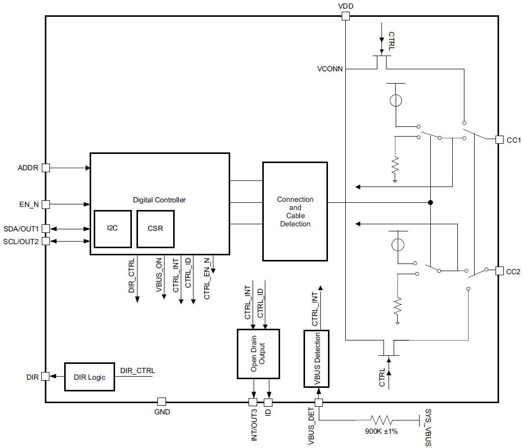
功能框图
发布日期: 2016-04-01
| 更新日期: 2022-03-11

