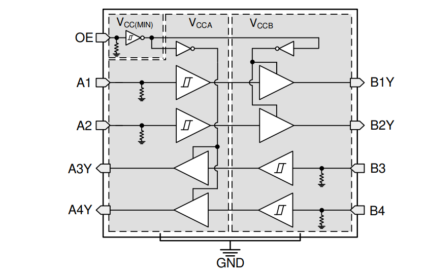
TI TXU0204/TXU0204-Q1单向电平转换器Ax引脚以VCCA逻辑电平为基准。OE引脚以VCCA或VCCB逻辑电平为基准,Bx引脚以VCCB逻辑电平为基准。A端口和B端口均接受1.1V至5.5V输入电压。当OE相对于任一电源设置太高时,则允许数据沿固定方向从A传输到B或从B传输到A。当OE设置为低电平时,所有输出引脚均处于高阻抗状态。
特性
- 符合汽车应用类AEC-Q100标准 (TXU0204-Q1)
- 完全可配置的双轨设计,允许每个端口在1.1V至5.5V电压范围内工作
- 支持3.3V至5.0V,速率高达200Mbps
- 施密特触发器输入允许缓慢和嘈杂的输入
- 具有集成静态下拉电阻器的输入可防止通道浮动
- 高驱动强度(5V时高达32mA)
- 低功耗
- 2.5µA最大值 (25°C) (TXU0204)
- 3µA最大值 (25°C) (TXU0204-Q1)
- 6µA最大值(-40°C至+125°C)
- VCC隔离和VCC断开 (Ioff-float) 特性
- 若任一VCC输入低于100mV或断开,则所有输出被禁用,且处于高阻抗状态
- Ioff支持局部关断模式运行
- 具有VCC(MIN)电路的控制逻辑 (OE) 可从A或B端口进行控制
- 引脚兼容TXB系列电平转换器
- 提供其他支持常见应用的型号:TXU0104、TXU0104-Q1、TXU0304、TXU0304-Q1
- 工作温度范围:–40°C至+125°C
- 闭锁性能超过100mA,符合JESD 78 II类标准
- 静电放电保护超出JESD 22标准
- 2500V人体模型
- 1500V充电器件模型
应用
- 消除缓慢或嘈杂的输入信号
- 驱动指示灯LED或蜂鸣器
- 机械开关去抖
- 通用I/O电平转换
- 推挽电平转换(UART、SPI、JTAG等)
数据手册
其他资源
功能框图
发布日期: 2021-07-13
| 更新日期: 2022-04-28

