Texas Instruments UCC27284/UCC27284-Q1 120V半桥栅极驱动器
Texas Instruments UCC27284/UCC27284-Q1 120V半桥栅极驱动器是稳健的N沟道MOSFET驱动器,最大开关节点 (HS) 额定电压为100V。该器件支持在半桥或基于同步降压配置的拓扑中控制两个N沟道MOSFET。该驱动器具有3.5A峰值灌电流和2.5A峰值拉电流,加上低上拉和下拉电阻,这使得UCC27284/UCC27284-Q1能够驱动大型功率MOSFET,其中MOSFET米勒平坦转换过程期间开关损耗最小。由于输入与电源电压无关,所以UCC27284/UCC27284-Q1可以搭配模拟控制器和数字控制器使用。在二次侧全桥同步整流等应用中,如果需要,两个输入(因此输出)可以重叠。输入引脚以及HS引脚可耐受高负电压,从而提高系统稳健性。5V UVLO支持系统在较低偏置电压下工作,这对于很多高频应用而言非常必要,提高了某些工作模式下的系统效率。较小传播延迟和延迟匹配性能规格可最大限度地降低死区时间要求,进一步提高了效率。高侧和低侧驱动器级设有欠压闭锁 (UVLO) 功能,若VDD电压低于指定阈值,则强制降低输出。集成式自举二极管使得诸多应用不再需要外部分立二极管,从而节省电路板空间,降低了系统成本。Texas Instruments UCC27284/UCC27284-Q1采用SOIC封装,用于恶劣系统环境。
特性
- 具有符合AEC-Q100标准的下列特性 (UCC27284-Q1)
- 温度等级1(TJ=–40°C至150°C)
- 器件人体模型 (HBM) 静电放电 (ESD) 分类等级1B
- 器件充电器件模型 (CDM) ESD分类等级C3
- 高侧/低侧配置可驱动2个N通道MOSFET
- 5V典型欠压锁闭
- 16ns典型传播延迟
- 12ns上升,10ns下降时间,1.8nF负载
- 延迟匹配:1ns(典型值)
- 输入端具有5V负电压处理能力
- HS负电压处理能力:14V
- 输出电流:3.5A(灌)、2.5A(拉)
- 绝对最大启动电压:120V
- 集成式自举二极管
应用
- 汽车直流/直流转换器
- 电动转向系统
- 车载充电器 (OBC)
- 集成带式启动器发生器 (iBSG)
- 汽车用暖通空调压缩机模块
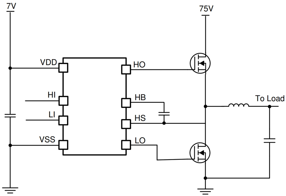
简化应用图
发布日期: 2021-01-12
| 更新日期: 2023-02-01
