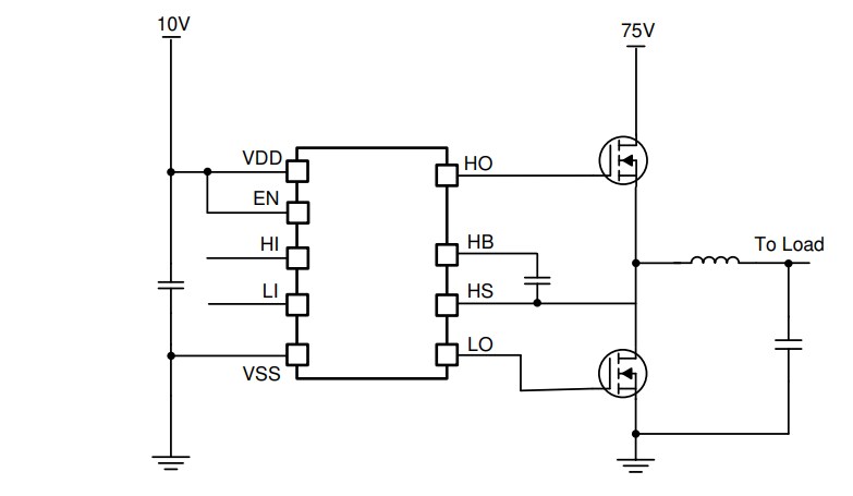
TI UCC27289驱动器具有3.5A峰值灌电流、2.5A峰值拉电流和低上拉及下拉电阻。这些特性支持驱动大功率MOSFET,在MOSFET米勒平坦转换期间开关损耗极小。UCC27289可与模拟和数字控制器配合使用,因为输入端与电源电压无关。两个输入完全相互独立,因此,如果需要,两个输出可通过重叠输入来重叠。启用和禁用功能提供了更多系统灵活性,可以降低驱动器功耗,也可以对系统内故障事件作出响应。
保护功能包括高压侧和低压侧驱动器级欠压锁定 (UVLO)、VDD 电压低于规定阈值时强制输出为低电平。集成式自举二极管使得诸多应用不再需要外部分立二极管,从而节省电路板空间,降低了系统成本。UCC27289采用多种封装,可满足系统要求,例如恶劣环境中的稳健性要求和紧凑应用中的密度要求。
特性
- 驱动高侧、低侧配置中的2个N通道MOSFET
- DRC封装中的启用/禁用功能
- 禁用时低电流消耗 (7µA)
- 16ns典型传播延迟
- 12ns上升,10ns下降时间,1800pF负载(典型值)
- 延迟匹配:1ns(典型值)
- 集成100V自举二极管
- 8V典型欠压闭锁
- 输入端绝对最高负电压处理 (–5V)
- HS端绝对最高负电压处理 (–14V)
- 3.5A拉、2.5A灌输出电流
- 绝对最大启动电压:120 V
- 输入相互独立,并与VDD 无关
- 双通道欠压闭锁
- 标定结温范围:-40°C至+140°C
应用
- 商户网络和服务器PSU
- 商用电信用整流器
- 直流输入BLDC电机驱动器
- 太阳能微逆变器
- 测试与测量设备
简化应用方框图
发布日期: 2020-12-28
| 更新日期: 2024-10-29

