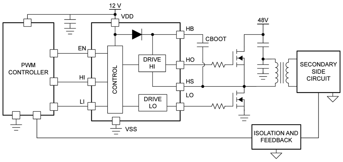
输入端与电源电压无关,可承受-10V和+20V绝对最大额定值。低侧和高侧栅极驱动器在打开和关断之间匹配4ns,并分别通过LI和HI输入引脚进行控制。片上额定120V自举二极管无需添加分立自举二极管。低压侧和高压侧驱动器均提供欠压锁定(UVLO),从而实现对称的接通和关断行为。如果驱动电压低于指定阈值,该功能会强制将输出变为低电平。Texas Instruments UCC27311A-Q1器件通过了AEC-Q100汽车应用认证。
特性
- 驱动两个采用半桥配置的N沟道MOSFET
- -40 °C至+150 °C结温范围
- HB引脚上的绝对最大电压:120V
- 输出电流:3.7A灌电流、4.5A拉电流
- VDD 工作电压范围(带UVLO功能):8V至17V(绝对最大值为20V)
- HS引脚上耐-(28-VDD) V绝对最大值负瞬态电压(< 100ns的脉冲)
- 集成式自举二极管
- -10V至+20V绝对最大输入引脚容差,与电源电压范围无关(TTL兼容)
- 开关参数
- 典型传播延迟时间:20ns
- 1000pF负载时的上升时间为7.2ns,下降时间 为5.5ns
- 延迟匹配:4 ns(典型值)
- 启用/禁用功能,禁用时电流消耗低(典型值为3µA)
应用
- 太阳能优化器和微型逆变器
- 电信和商用电源
- 在线和离线UPS
- 储能系统
- 电池测试设备
典型应用图
发布日期: 2024-10-17
| 更新日期: 2025-05-09

