Texas Instruments UCC27614/UCC27614-Q1单通道栅极驱动器
Texas Instruments UCC27614/UCC27614-Q1单通道栅极驱动器是高速低侧栅极驱动器系列,可驱动MOSFET、IGBT、SiC和GaN功率开关。此系列驱动器的典型峰值驱动强度为10A,可缩短功率开关的上升和下降时间,降低了开关损耗并提高了效率。UCC27614器件的短传播延迟可改善系统的死区优化、控制环路响应,提高脉宽利用率和瞬态性能,从而提高功率级效率。UCC27614-Q1驱动器符合AEC-Q100标准,适用于汽车应用。此系列驱动器可用于太阳能电源、大功率缓冲器、脉冲变压器驱动器和电信开关模式电源。UCC27614可在输入端处理–10V的电压,通过平缓的接地反弹提高系统稳健性。该输入与电源电压无关,可连接大多数控制器输出,从而获得最大控制灵活性。独立使能信号支持独立于主控制逻辑控制功率级。如果系统中出现故障(需要关闭动力传动系统),则栅极驱动器可快速关断功率级。使能功能还提高了系统稳健性。许多高频开关电源在功率器件的栅极处有高频噪声,其会注入栅极驱动器的输出引脚,导致驱动器发生故障。由于其瞬态反向电流和反向电压能力,UCC27614可在此类条件下正常工作。
如果VDD 电压低于指定的UVLO阈值,强大的内部下拉MOSFET可使输出保持低电平。该主动下拉功能进一步提高了系统稳健性。UCC27614器件具有10A驱动电流,采用2mm × 2mm封装,提高了系统功率密度。该小型封装还可实现最佳栅极驱动器布设,改进布局。
特性
- 典型输出电流:10A灌电流,10A拉电流
- 输入和使能引脚能够承受高达-10V电压
- 绝对最大VDD 电压为30V
- 宽VDD 工作电压范围(4.5V至26V),带UVLO
- 采用2 mm x 2 mm SON8封装
- 传播延迟:17.5ns(典型值)
- EN(使能)引脚,采用SOIC8封装
- IN引脚可用于启用/禁用功能
- VDD 独立输入阈值(兼容TTL)
- 可用作反相或非反相驱动器
- 工作结温范围:–40°C至150°C
应用
- 电信开关模式电源
- 功率因数校正 (PFC) 电路
- 太阳能电源
- 电机驱动器
- 高频线路驱动器
- 脉冲变压器驱动器
- 大功率缓冲器
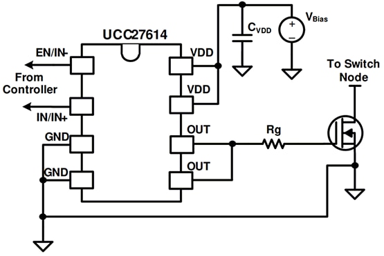
简化应用方框图
发布日期: 2022-04-11
| 更新日期: 2025-05-15
