Texas Instruments UCC27712/UCC27712-Q1高侧/低侧栅极驱动器
Texas Instruments UCC27712/UCC27712-Q1高侧/低侧栅极驱动器是一款具有1.8A源电流、2.8A灌电流的620V栅极驱动器,设计用于驱动功率MOSFET或IGBT。对于IGBT,推荐的VDD工作电压为10V至20V,对于功率MOSFET则为10V至17V。UCC27712/UCC27712-Q1具有保护功能,当输入处于打开或未达到最低输入脉冲宽度规格时输出保持较低状态。联锁和死区功能可防止两路输出同时启动。该器件可接受的偏置电源电压范围为10V至22V,并且可为VDD和HB偏置电源提供UVLO保护。UCC27712-Q1器件符合汽车应用类AEC-Q100认证。特性
- 高侧和低侧配置
- 双路输入,具有输出联锁和150ns死区时间
- 在高达620V电压下正常工作,HB引脚上的最大绝对电压为700V
- VDD推荐范围:10V至20V
- 2.8A峰值输出灌电流、1.8A峰值输出拉电流
- dv/dt抗扰度:50V/ns
- HS引脚上的逻辑运行电压高达–11V
- 输入端负电压公差为-5V
- 较大的负瞬态安全工作区
- 两个通道都有UVLO保护
- 较小的传播延迟(100ns典型值)
- 延迟匹配(12ns典型值)
- 用于自举操作的浮动通道
- 低静态电流
- TTL和CMOS兼容输入
- 行业标准SOIC-8封装
- 所有参数的指定温度范围:-40°C至+125°C
应用
- 电机驱动(步进电机、暖通空调、风扇、电动工具、机器人、无人机)
- 离线交流/直流电源中的桥式转换器
- 高密度开关模式电源,用于服务器、电信、IT和工业基础设施
- 直流-交流逆变器
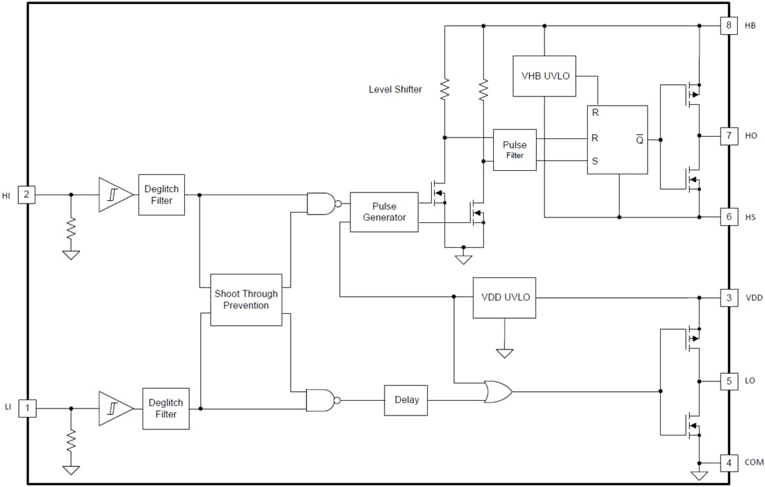
功能框图
发布日期: 2017-09-15
| 更新日期: 2022-06-07
