Texas Instruments UCC278x4/UCC278x4-Q1 栅极驱动器
Texas Instruments UCC278x4/UCC278x4-Q1栅极驱动器是高速汽车级230V半桥驱动器,具有3.5A、4A驱动强度和高达100V/ns的抗噪能力。这些栅极驱动器具有快速传播延迟和两个通道之间的极佳延迟匹配。UCC278x4/UCC278x4-Q1驱动器在8.5V至20V VDD电源电压范围和-40°C至150°C温度范围内运行。这些驱动器还具有强大的驱动力,具有出色的噪声和瞬态抗扰度,包括高dV/dt容差 (100V/ns) 和宽负瞬态安全工作区域 (NTSOA)。UCC27884-Q1器件符合AEC-Q100标准,适用于汽车应用。这些栅极驱动器采用SOIC-8引脚封装。UCC278x4/UCC278x4-Q1驱动器非常适合用于电机驱动器(步进电机、风扇、电动工具、机器人、无人机和伺服电机)、电动自行车和电动滑板车、太阳能升压和升降压MPPT,以及微型逆变器。特性
- UCC278x4-Q1符合汽车应用类AEC-Q100标准:
- 设备温度等级:1
- 针对高侧和低侧驱动器的双独立输入,无互锁
- 最大自举电压:+230V(HB引脚)
- VDD偏置建议范围:8.5V至20V
- 峰值输出电流:3.5A源电流和4A灌电流
- 快速传播延迟:29ns(典型值)
- HO/LO之间最大紧密传播延迟匹配<>
- dV/dt抗扰度:100V/ns
- 低静态供电电流:
- VDD:150µA(典型值)
- HB典型值为90 µA
- 8V内置UVLO保护功能,适用于高侧和低侧通道
- 专为引导操作设计的浮动通道
- 采用标准SOIC-8封装
- 指定温度范围:-40 °C至150 °C
应用
- 电机驱动器(步进电机、风扇、电动工具、机器人、无人机和伺服电机)
- 电动自行车和电动踏板车
- 太阳能升压和降压MPPT
- 微型逆变器
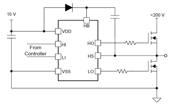
原理图
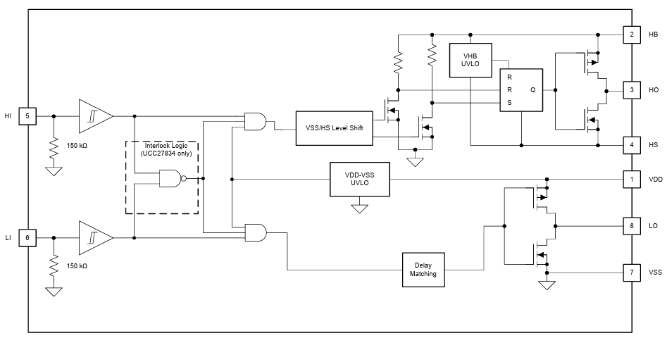
框图
发布日期: 2026-01-13
| 更新日期: 2026-02-18
