Texas Instruments UCD7100低侧MOSFET驱动器
Texas Instruments UCD7100低侧MOSFET驱动器是一款数字控制兼容型驱动器,适用于使用数字控制技术、需要快速提供本地峰值电流限制保护的应用。UCD7100是一款低侧±4A大电流MOSFET栅极驱动器。支持UCD9110或UCD9501等数字电源控制器连接单端拓扑的功率级。Texas Instruments UCD7100可提供逐周期电流限制功能,具有可编程阈值以及可由主机控制器监测的数字输出电流限制标志。借助25ns快速逐周期电流限制保护功能,万一出现数字系统无法及时应对故障的情况,驱动器就可以关闭功率级。特性
- 可调节电流限制保护
- 3.3V、10mA内部稳压器
- DSP/µC兼容输入
- 单个±4A TrueDrive™大电流驱动器
- 2.2nF负载下的典型上升和下降时间为10ns
- 25ns输入至输出传播延迟
- 25ns电流检测到输出延迟
- 可编程的电流限制阈值
- 数字输出电流限制标志
- 电源电压范围:4.5V至15V
- 额定温度:–40°C至105°C
- 无铅封装
应用
- 数字控制电源
- 直流/直流转换器
- 电机控制器
- 线路驱动器
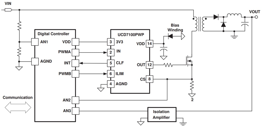
简化示意图
发布日期: 2022-02-01
| 更新日期: 2022-03-11
