Texas Instruments BQ24616 电池充电控制器

Texas Instruments BQ24616 的高度集成锂离子/锂聚合物开关模式电池充电控制器,具有高精度充电电流和电压调节、充电预处理、终止、适配器电流调节以及充电状态监测功能。 TI BQ24616 电池充电器具有一个 600kHz NMOS-NMOS 同步降压转换器,提供高达 10A 的充电电流和适配器电流。 TI BQ24616 电池充电控制器极为适合上网本、移动互联网设备、手持终端等产品使用。

特点
  • 电池热敏电阻感应功能,用于兼容 JEITA(日本电子信息技术产业协会)准则的充电器
  • 600 kHz NMOS-NMOS 同步降压转换器
  • 独立的充电器支持锂离子或锂聚合物
  • 5 V–28 V VCC 输入工作范围支持 1-6 个电池组
  • 高达 10A 的充电电流和适配器电流
  • 高精确电压和电流调节
    • ±0.5% 的充电电压精度
    • ±3% 的充电电流精度
    • ±3% 的适配器电流精度
  • 集成
    • 从适配器或电池自动选择系统电源
    • 内部环路补偿
    • 内部软启动
    • 动态电源管理
  • 安全保护
    • 输入过电压保护
    • 电池检测
    • 反向保护输入 FET
    • 可编程安全计时器
    • 充电过电流保护
应用
  • 上网本、移动互联网设备和超移动 PC
  • 工业和医疗设备
  • 个人数字助理
  • 手持终端
  • 便携式设备
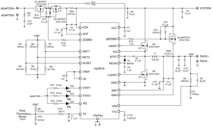
应用电路
  • Texas Instruments
  • Power|Semiconductors|Integrated Circuits|IC-Power Management
发布日期: 2011-03-14 | 更新日期: 2022-03-11