TI TAS5717 数字音频功率放大器

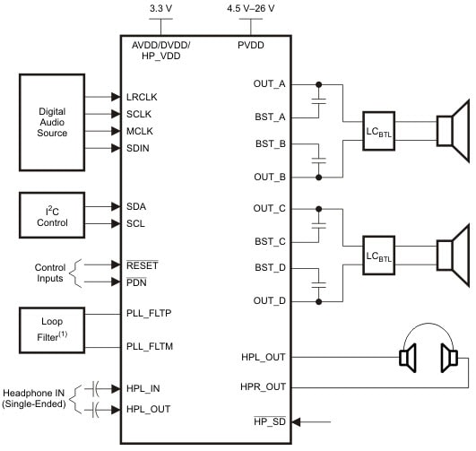
Texas Instruments TAS5717 10W 数字音频功率放大器专门用于驱动立体声桥接扬声器。 一个串口数据输入可处理多达两个独立的音频通道,并无缝集成到大多数数字音频处理器和MPEG解码器中。 TI TAS5717 数字音频功率放大器可接受范围广泛的输入数据和数据率。 完全可编程的数据路径将这些通道路由到内部扬声器驱动器。 TI TAS5717 仅是一种从设备,接收外部源的所有时钟。 TAS5717 发出 384 kHz - 352 KHz 开关速度的 PWM 载波,这取决于输入采样速度。 配有四阶噪音整形器的过采样功能可提供扁平噪底和 20Hz - 20kHz 动态范围。

音频输入/输出特性
  • 支持 2×10 W
  • PVDD 范围宽,4.5 V - 26 V
  • 高效 D 级运行不再需要散热器
  • 仅需 3.3 V 和 PVDD
  • 一个串口音频输入(两个音频通道)
  • 通过 PIN 选择 I²C 地址(芯片选择)
  • 支持 8 kHz - 48 kHz 采样率(LJ/RJ/I2S)
  • 外部耳机放大器关断信号
  • 集成无电容耳机放大器
  • 立体声耳机(立体声 2-V RMS 线路驱动器)输出
音频/PWM 处理
  • 独立通道音量控制,24dB 至静音
  • 可编程双频段动态范围控制
  • 14 个扬声器 EQ 可编程二阶滤波器
  • DRC 滤波器可编程系数
  • 直流阻隔过滤器
  • 0.125dB 微小音量支持
应用
  • 桥接扬声器
功能图
  • Texas Instruments
  • Semiconductors|IC-Amplifier|IC-Audio|Integrated Circuits
发布日期: 2011-02-22 | 更新日期: 2025-11-20