特性
- 用于N沟道共漏极MOSFET的栅极驱动器
- 用于N沟道单通道高侧MOSFET的栅极驱动器
- 高最大输入电压:VIN max = 40V
- 宽工作输入电压:VIN = 2.7V至28.0V
- 过压闭锁:VIN_OVLO = 23.26V(典型值)
- 欠压闭锁:VIN_UVLO = 2.0V(典型值)
- 栅极-源极保护电路
- 内置电荷泵电路(典型栅极源极电压VGS = 10V)
- 低待机电流:IQ(OFF) = 最大0.9µA(VIN = 12V时)
- 工作温度范围:-40°C至+85°C
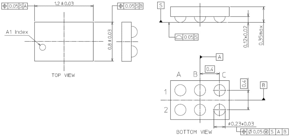
- 1.2mm x 0.8mm x 0.35mm WCSP6G封装
- 重量:0.61mg
视频
框图
封装外形
发布日期: 2022-01-05
| 更新日期: 2023-01-23
