特性
- 常开(A型1式)器件
- 峰值关态电压:900 V(最小值)
- 触发器LED电流:3mA(最大值)
- 通态电流:50 mA(最大值)
- 导通电阻:250Ω(最大值,在t <>
- 隔离电压:5000VRMS(最小值)
- 电气间隙:8 mm(最小值)
- 爬电距离:8mm(最小值)
- 绝缘厚度:0.4 mm(最小值)
- CTI>600外层树脂
- 符合 AEC-Q101
应用
- 汽车设备中的电池控制
- 汽车设备中的燃料电池控制
- 电动汽车(ev)应用
- 400V汽车电池系统
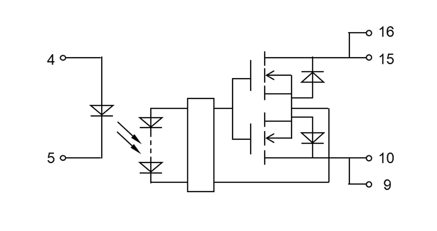
内部电路
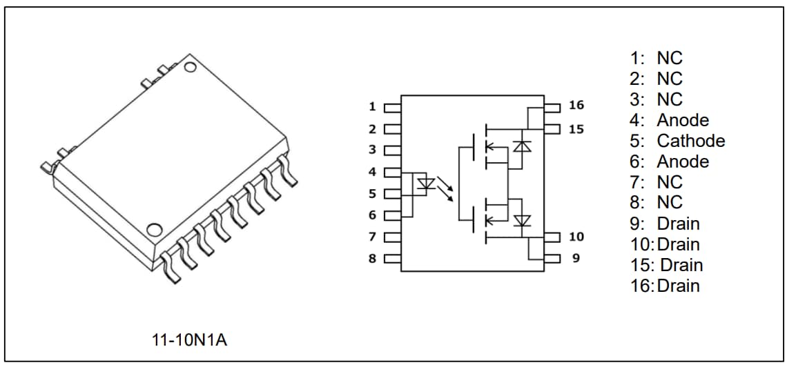
包装和引脚分配
发布日期: 2024-08-26
| 更新日期: 2025-07-17
