特性
- 多频段GNSS接收器类型
- 支持GPS、Galileo、GLONASS和北斗卫星
- 差分计时模式
- 支持准齐特卫星系统 (QZSS)
- 支持基于卫星的增强系统 (SBAS)
- 广播导航数据和卫星信号测量
- 支持的协议:
- UBX
- NMEA 4.10
- RTCM 3.3
规范
- 8引脚2mm间距引脚接头
- 2.7V至3.6V电源电压范围
- 工作温度范围:-40°C至85°C
- 电源电流 (ICC):100mA(3.3V时)
- 可配置时间脉冲信号频率范围:0.25Hz至25MHz
- ±4ns时间脉冲抖动
框图
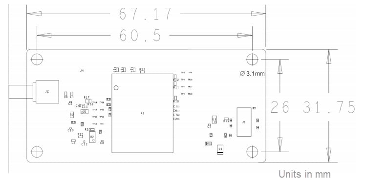
机械图纸
发布日期: 2021-08-02
| 更新日期: 2022-03-11

