Vishay / Dale 1KW-DCDC-48V12V转换器参考设计
Vishay/Dale 1KW-DCDC-48V12V降压-升压转换器具有两个模块功率级(每个额定功率为500W),并提供转换器参考设计。两个相位的对称交错降低了电流纹波,每个相位均具有保护MOSFET,可在发生故障时隔离相位并限制浪涌电流。该款1kW、48V/12V降压-升压转换器可在降压和升压操作之间自动切换,开关频率为160kHz,外形小巧。随着双板网系统(同时具有12V和48V总线的车辆)越来越受欢迎,大功率双向48V至12V DC/DC转换器已成为当今汽车架构的重要构件。必须在12V和48V电池之间来回传输能量,以尽可能提高车辆整体效率,通过Vishay/Dale的1KW-DCDC-48V12V转换器设计就可以实现这一目标。特性
- 双向48V至12V转换器
- 双相交错工作
- 自动降压和升压选择
- 电压和电流调节
- 浪涌电流控制
- 过压和过流保护
应用
- 汽车
- 网络、电信和基站电源
- 工业和服务器计算
- 电动汽车 (EV) 测试环境
其他资源
视频
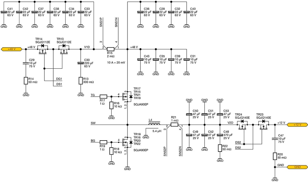
原理图
引脚配置
发布日期: 2024-03-04
| 更新日期: 2024-09-24
