Vishay / Spectrol 63系列3/8"方形单圈微调电阻器
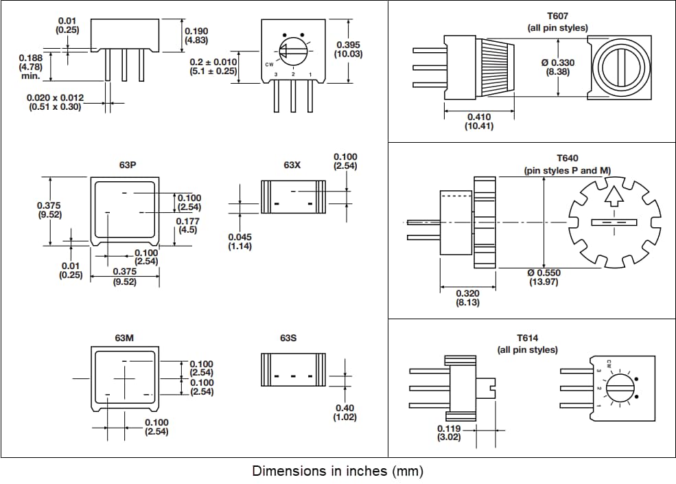
Vishay/Spectrol 63系列3/8"方形单圈金属陶瓷微调电阻器提供多种引脚配置用于进行顶部和侧面调节。该系列电阻器还提供多种旋钮样式用于进行手指调节,此外,多指刮片可实现快速调节。规格包括100Ω 至 2MΩ 标准电阻范围、 ±10%电阻以及-55°C至+125°C宽工作温度范围。Vishay/Spectrol 63系列3/8"方形单圈金属陶瓷微调电阻器具有可用溶剂清洗和水洗的O形圈密封,并具有IP64防护密封。
特性
- 箭头和刻度可重复设置
- 可用溶剂清洗和水洗的O形圈密封
- 通过将引脚固定在外壳中,实现刚性电路板安装。
规范
- 标称有效行程:270°
- 电阻范围: 100 Ω 至 2MΩ
- 阻值容差:±10%
- 最小绝缘电阻:1000MΩ
- 最大启动扭矩:35mNm
- 金属陶瓷电阻元件
- IP64密封等级
- 温度范围:-55 °C至+125 °C
相关电阻器
在+70°C额定温度下提供0.75W额定功率以及10Ω 到5MΩ 宽电阻范围。
工业级测量尺寸为3/8" x 3/8" x 3/16",满足PC板安装要求。
绝缘电阻为1000MΩ,密封设计,允许在常用溶剂浸泡中进行清洁。
发布日期: 2025-05-27
| 更新日期: 2025-07-14