Vishay DGQ405x采用3V至16V单电源或±3V至±8V双电源供电,额定电压为3V、5V、12V和±5V。在5V或±5V电源下工作时,在1.4V至3V电源时,所有控制逻辑输入均可确保2V逻辑高限值。所有开关在两个方向的导电性能相同,提供轨到轨模拟信号开关,可用作多路复用器和解复用器。
DGQ4051E、DGQ4052E和DGQ4053E的工作温度范围为-40°C至+125°C,采用16引脚TSSOP封装。
特性
- 汽车产品符合AEC-Q100标准(1级)
- 规定为-40 °C-+85 °C和-40 °C-+125 °C
- 3V至16V单电源或±3V至±8V双电源供电
- 低寄生电容
- CD(ON) :8.5pF时的典型值(DGQ4053E)
- CS(OFF) :2.0pF时的典型值(DGQ4053E)
- 在整个信号摆幅范围内电荷注入小于0.3pC
- < 50pA(典型值)低漏电流
- 35 ns(典型值)快速开关tON
- 3V逻辑兼容控制
- 双向轨到轨信号开关
应用
- 汽车电池管理系统
- 汽车信息娱乐和远程信息处理
- 汽车模拟和数字信号多路复用/解复用
规格
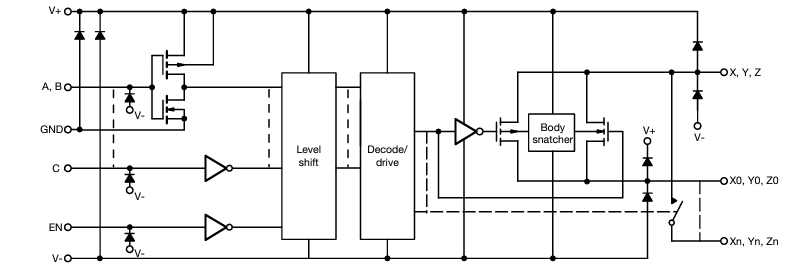
框图和引脚配置
原理图
发布日期: 2024-10-31
| 更新日期: 2024-11-15

