特性
- 符合AEC-Q200标准(仅限IHXL1100OZ-3A型号)
- 磁屏蔽结构
- 平坦表面,用于安装散热片或主动冷却冷却板
- 能处理高瞬态电流脉冲,而不出现饱和现象
应用
- 汽车用大电流滤波器(仅限IHXL1100OZ-3A型号)
- 大电流滤波器
- 开关稳压器
- 直插式噪声滤波器
- 差分模式扼流圈
- 升压功率因数校正扼流圈
- 12V、24V、48V直流/直流转换器
- 大电流电池充电
规范
- 1 µH 到 10 µH 电感范围
- DCR范围:0.28 mΩ至2.35 mΩ
- 额定热电流范围:41A至191A
- 饱和电流范围:35 A至149 A
- 电感容差:10%
- 工作温度范围:-55 °C至+155 °C
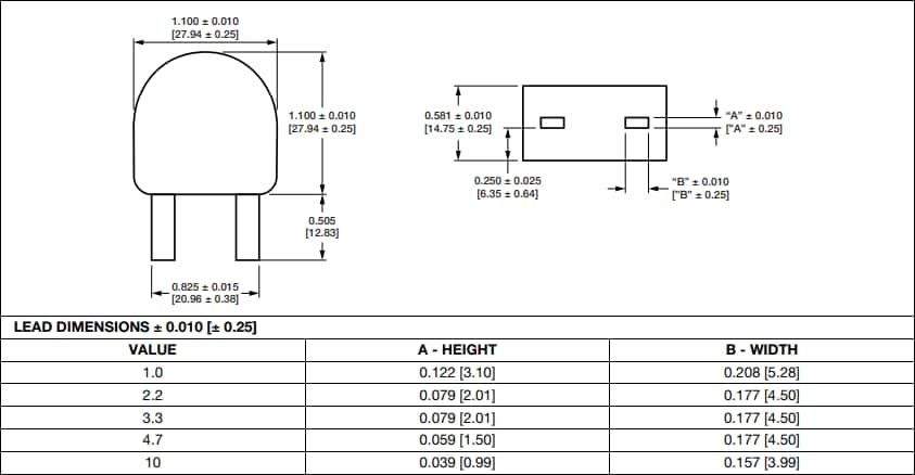
尺寸
发布日期: 2024-10-02
| 更新日期: 2024-10-14

