特性
- VOM1271T:
- 开路电压:8.4V(典型值,IF = 10mA)
- 短路电流:15µA(典型值)
- 隔离电压:3750VRMS
- 导通时间53μs,关断时间24μs
- 输出侧无VCC
- 仅由光伏电池产生的栅极电压
- 小型SOP-4封装
- 符合汽车类AEC-Q102标准
- VOD3120AB-T:
- 2.5A 最小峰值输出电流
- 工作电压范围:15V至30V
- 隔离电压:5300VRMS
- 导通时间35μs,关断时间150μs
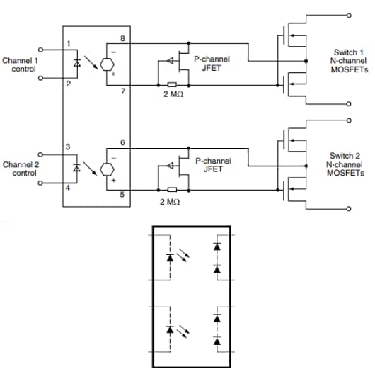
- VO1263AACTR:
- 双通道
- 开路电压:14.7V(典型值,IF = 10mA)
- 开路电压:15.2V(典型值,IF = 30mA)
- 短路电流:15µA(典型值,IF = 10mA)
- 隔离电压:5300VRMS
- 导通时间35μs,关断时间150μs
框图
VOM1271T 应用简图
VO1263AACTR 应用简图
VOD3120AB-T 应用简图
发布日期: 2023-08-18
| 更新日期: 2024-08-13

