特性
- UL认证文件编号E54214
- 四电路配置
- 典型 IR:小于0.5μA
- 高浪涌电流能力
- 工作结温范围:-55°C至150°C
- 275°C浸焊最长10秒,符合JESD 22-B106标准
- 符合RoHS指令
- 通用三通接线端子(GBPC12、GBPC15、GBPC25和GBPC35):
- 卡入式
- 绕线
- PCB安装
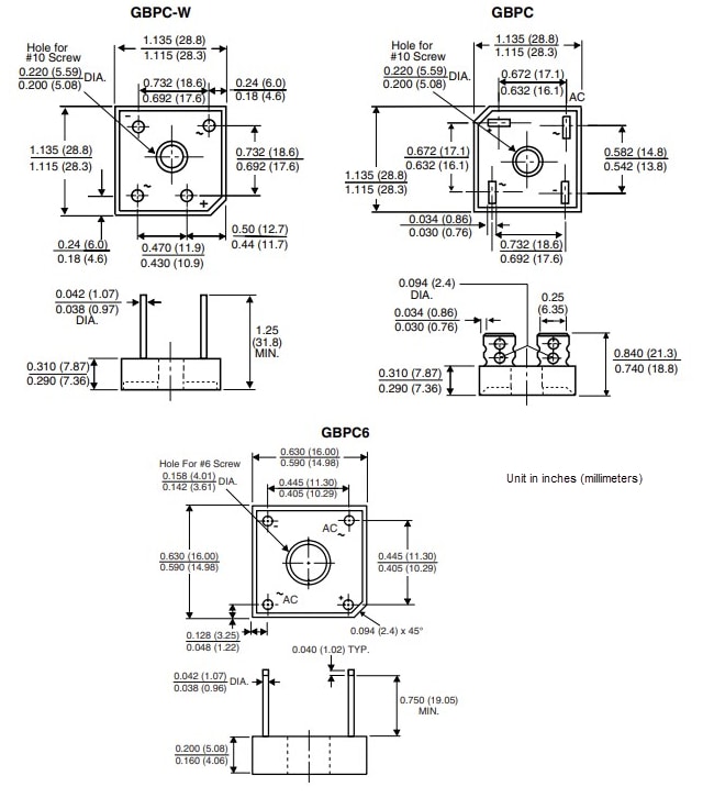
- 封装:
- GBPC和GBPC-W(GBPC12、GBPC15、GBPC25和GBPC35)
- GBPC6(GBPC6005、GBPC601、GBPC602、 GBPC604、GBPC606、GBPC608和GBPC610)
应用
- 交直流桥式全波整流
- 家用电器
- 办公设备
- 工业自动化
封装外形尺寸
发布日期: 2025-02-26
| 更新日期: 2025-03-20
