特性
- 热增强型PowerPAK® MLP55-31L封装
- 沟槽场效应晶体管 (TrenchFET) 技术和集成肖特基二极管的低压侧MOSFET
- 集成式低阻抗自举开关
- 优化用于12V输入级的功率MOSFET
- 支持PS4模式轻负载要求,关断电源电流较低(5V、3μA)
- 零电流检测,提高轻载效率
- 5V和3.3V PWM逻辑,带三态和保持定时器
- 支持PS4状态的5V DSBL# 、ZCD_EN#逻辑
- 高达 2 MHz 的高频操作
- 提供超过60A的持续电流、70A峰值电流 (10ms) 和100A峰值电流 (10μs)
- 过流保护
- 过温标志
- 超温保护
- 欠压锁定保护
- 高压侧MOSFET短路检测
- 有效的监测和报告
- 准确的温度报告
- 警告和故障报告标志
应用
- 用于计算、显卡和内存的多相VRD
- 英特尔酷睿处理器电力传输
- VCORE 、VGRAPHICS 、VSYSTEM AGENT 、VCCGI
- 高达16V电源轨输入DC/DC VR模块
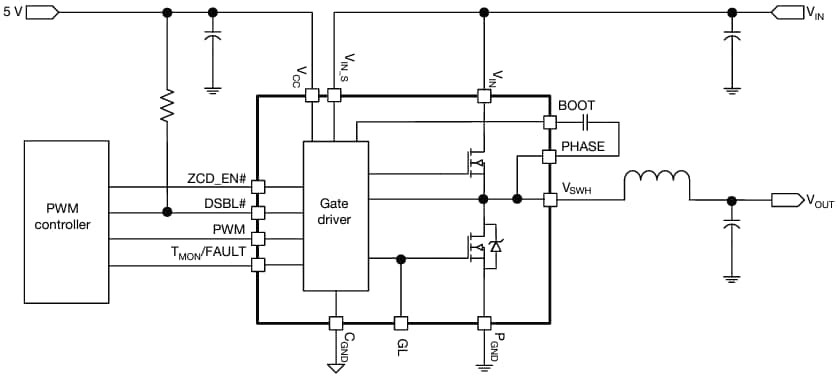
典型应用
发布日期: 2024-11-19
| 更新日期: 2025-01-01
