Wolfspeed 25W辅助电源反激式评估平台
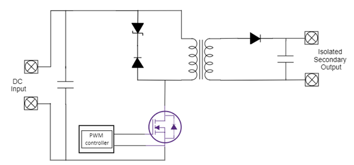
Wolfspeed 25W辅助电源反激式评估平台 (KIT-CRD-025DD17P-J) 展示了在单开关反激式配置中1700V碳化硅 (SiC) MOSFET的使用。 该Wolfspeed套件设计灵活,可用于评估和优化反激式转换器、碳化硅 (SiC) MOSFET和变压器的性能。所使用的C3M00900170x MOSFET系列具有12V至18V的宽工作栅源电压范围,使得该套件易于与现有的硅 (Si) 或碳化硅 (SiC) 单开关设计兼容,且成本低廉。该一次侧调节转换器(带辅助绕组)消除了对光耦合器的需求,为所有工业应用(如太阳能逆变器、电动汽车充电、电机驱动器、暖通空调应用等)提供了一种空间和成本优化的解决方案。特性
- 完全组装
- 采用C3M00900170x MOSFET,具有12V至18V的宽工作栅源电压范围
- 宽输入电压范围:60VDC 至1000VDC
- 最大输出功率:25 W
- 稳压输出电压:15V
- 可选择添加和使用2个二次侧输出
- 单开关反激配置
- 易于使用,测试点充足
- 高效率
- 空间和成本优化解决方案
应用
- 太阳能逆变器
- EV充电
- 电机驱动器
- 热泵和空调
- 储能系统
单开关反激拓扑结构
尺寸
发布日期: 2025-08-28
| 更新日期: 2025-09-02
