Wolfspeed KIT-CRD-CIL12N-GMA WolfPACK™评估板

Wolfspeed KIT-CRD-CIL12N-GMA WolfPACK™半桥评估板是一款动态表征工具,设计用于评估和优化GM3碳化硅半桥功率模块的开关性能。该板包括钳位电感负载 (CIL) 测试电路,具有电流测量功能,可提供高速、低电感测试夹具,用于双脉冲测试。该测试夹具与所选的栅极驱动器板相结合,可以测量计时、过冲、速度和开关损耗。

特性

  • 优化用于Wolfspeed的WolfPack GM3碳化硅半桥功率模块
  • 直流总线电压:高达1000V
  • 板载200uF大容量电容器和高频薄膜电容器组
  • 高速、低电感布局,杂散电感为4.9nH (10MHz)
  • 板载电流查看电阻器 (CVR)
  • 螺钉端子,用于电源、中点和负载电感器连接

应用

  • 电动车快速充电
  • 工业电源
  • UPS
  • 感应加热焊接
  • 工业电机驱动器
  • 电源
  • 太阳能和可再生能源
  • 电网基础设施

套件内容

  • 完全组装的PCB板
  • 参考设计文件

元件布局

Wolfspeed KIT-CRD-CIL12N-GMA WolfPACK™评估板

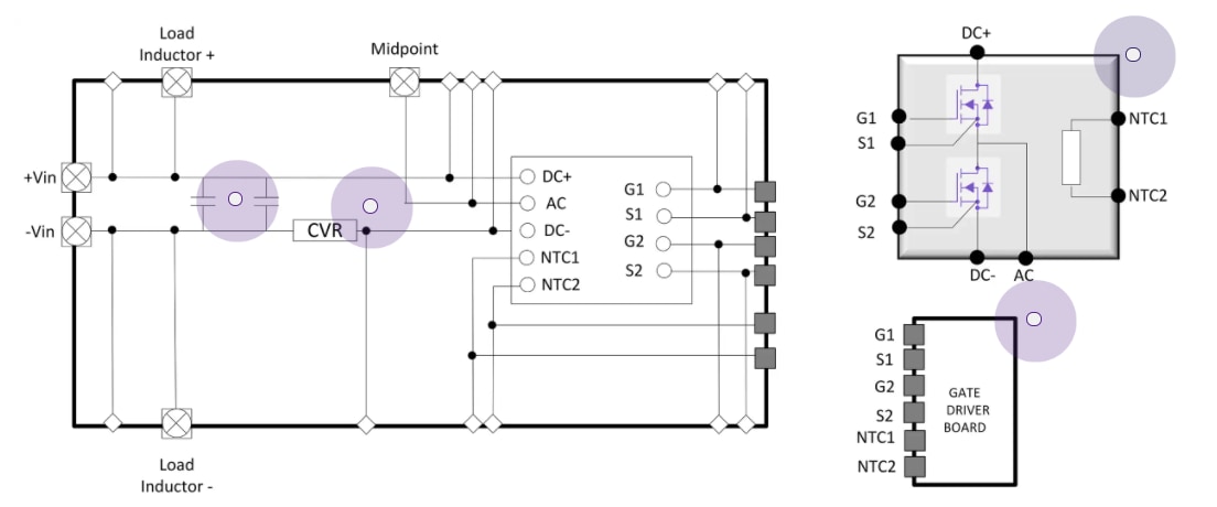
框图

框图 - Wolfspeed KIT-CRD-CIL12N-GMA WolfPACK™评估板
发布日期: 2021-11-09 | 更新日期: 2022-03-11