YM六单元碳化硅电源模块提供各种额定电流,最高可达1200V/650A。这些YM模块符合AQG-324汽车电源模块标准。YM六单元电源模块直冷引脚翅式底板增强了热性能,而压配引脚则简化了组装。
特性
- 全基于碳化硅MOSFET,实现超低损耗
- 1200 V 的闭塞电压
- 额定电流选项为330A、460A或600A
- +25°C时,RDS(on) 为2.1mΩ、2.8mΩ或4.3mΩ
- 材料组I的比较跟踪指数(CTI)> 600V
- 超低功率环路电感:6.6nH
- 直接冷却的针状散热片基板
- 行业标准尺寸
- 压配连接,便于组装
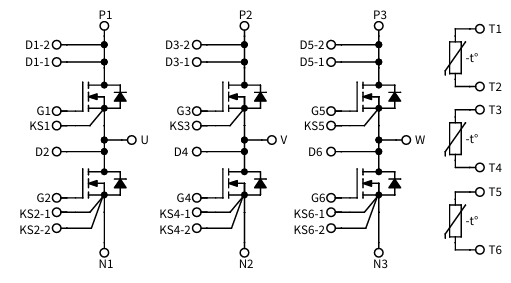
- 集成NTC温度传感器
- 高性能氮化硅绝缘体
- 超高可靠性互连技术
- AQG-324资格
应用
- 汽车牵引逆变器
- 商业、建筑和农用车辆
- 混合动力电动汽车
- 电动交通和电机驱动器
- 辅助电源
- 可再生能量
原理图和引脚排列图
发布日期: 2025-04-30
| 更新日期: 2026-03-10

