Bourns PER21长寿命增量环形编码器
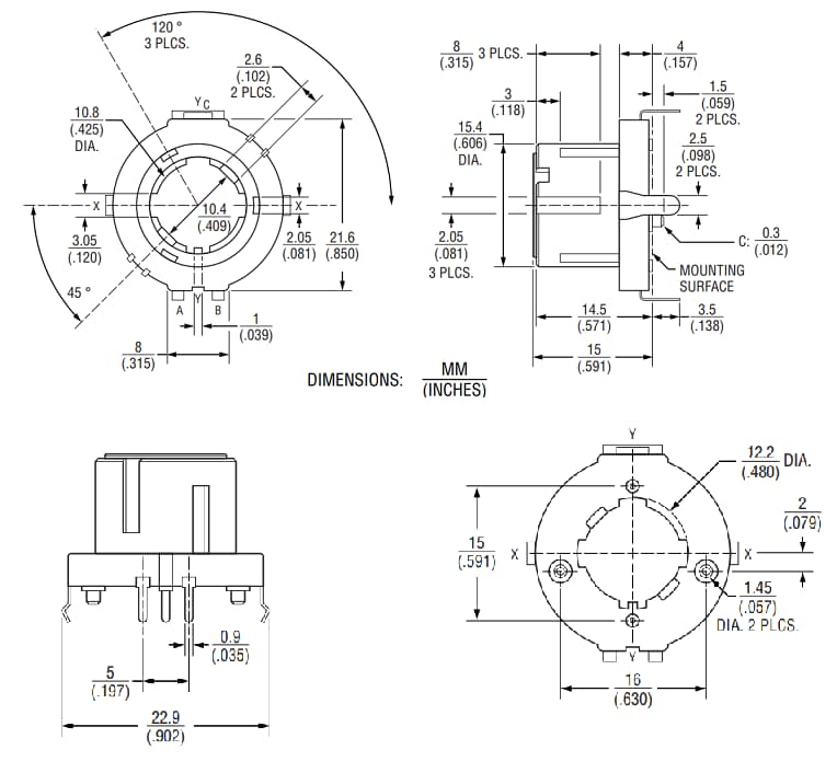
Bourns PER21长寿命增量环形编码器具有21mm封装直径、10mA触点额定值(5V
DC ),提供2位正交码输出。PER21提供触觉卡位反馈、通孔安装和顺滑旋转等特性。Bourns PER21长寿命增量环形编码器的工作温度范围为-10°C至60°C。典型应用包括专业音频设备、低/中等风险医疗和诊断设备、白色消费家电和工业自动化控制。
应用
- 专业音频设备
- 专业照明控制台
- 消费类白色家电
- 低/中等风险医疗和诊断设备
- 测试与测量设备
- 通信设备
- 实验室设备
- 工业自动化控制
规范
- 额定旋转周期:50,000次
- 最大旋转速度:60RPM
- 触点额定值:10mA(5VDC时)
- 2位正交码输出
- 工作温度范围:-10°C至+60°C
- 储存温度范围:-40°C至+85°C
相关产品
提供高级旋转感觉和触觉卡位反馈、薄型、多功能环形接口。
封装直径为23mm,5VDC时触点额定值为10mA,提供2位正交代码输出。
35mm封装直径,5VDC电路兼容性时电流为10mA,提供三相正交代码输出。
28mm封装直径,5VDC电路兼容性时电流为10mA,提供2位正交代码输出。
56mm封装直径,5VDC电路兼容性时电流为10mA,提供2位正交代码输出。
发布日期: 2021-07-29
| 更新日期: 2022-03-11