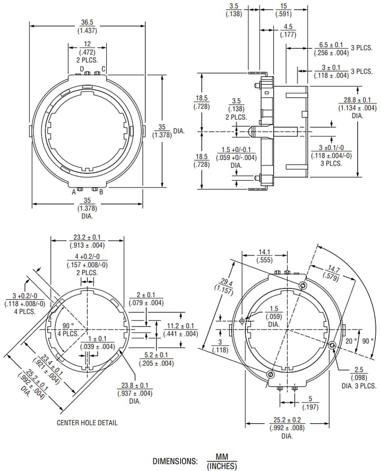
Bourns PER35长寿命增量环编码器
Bourns PER35长寿命增量环编码器具有35mm封装直径,5V
DC电路兼容性时电流为10mA,提供三相正交代码输出。PER35提供触觉卡位反馈,采用通孔安装方式,可密封至IP40防护等级。该薄型器件设有环形接口,可在中心实现照明或安装其他元件。其他特性包括50,000次额定旋转周期、10PPR分辨率范围和60RPM最大旋转速度。Bourns PER35长寿命增量环编码器的工作温度范围为-30°C至+80°C。理想应用包括专业音频和照明应用、低/中等风险医疗和实验室设备以及工业自动化控制和其他需要菜单选择编码器的应用。
特性
- 薄型增量编码器,封装直径为35mm
- THT安装方式
- 触觉卡位反馈
应用
- 专业照明控制台
- 消费类白色家电
- 低/中等风险医疗和诊断设备
- 测试与测量设备
规范
- 额定旋转周期:50,000次
- 分辨率范围:10PPR
- 最大旋转速度:60RPM
- 5VDC电路兼容性时电流:10mA
- 三相正交代码输出
- 工作温度范围:-30°C至+80°C
相关编码器
提供高级旋转感觉和触觉卡位反馈、薄型、多功能环形接口。
封装直径为21mm,5VDC时触点额定值为10mA,提供2位正交码输出。
封装直径为23mm,5VDC时触点额定值为10mA,提供2位正交代码输出。
28mm封装直径,5VDC电路兼容性时电流为10mA,提供2位正交代码输出。
56mm封装直径,5VDC电路兼容性时电流为10mA,提供2位正交代码输出。
发布日期: 2021-04-28
| 更新日期: 2022-03-11