Diodes Incorporated AP64352QSP-EVM 评估板

Diodes Incorporated AP64352QSP-EVM评估板设计用于评估具有3.8V至40V宽输入电压范围的AP64352Q同步降压转换器。 此转换器完全集成了75mΩ 高侧功率MOSFET和45mΩ 低侧功率MOSFET,可提供高效降压DC/DC转换。典型应用包括5V、12V和24V分布式电源总线电源、白色家电、小型家用电器、家庭音响、网络系统、消费类电子产品和无绳电动工具。

概述

Diodes Incorporated AP64352QSP-EVM 评估板

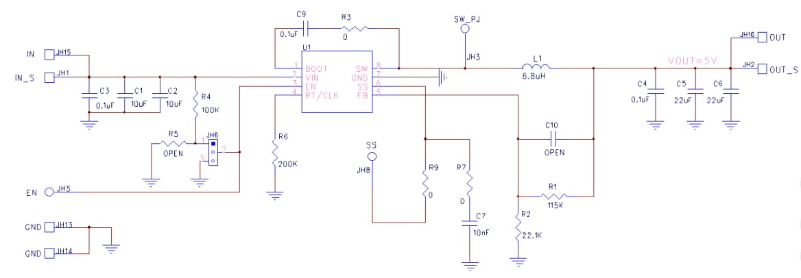
AP64352QSP-EVM示意图

原理图 - Diodes Incorporated AP64352QSP-EVM 评估板
发布日期: 2020-07-13 | 更新日期: 2024-08-07