Diodes Incorporated AP53781 USB PD双角色电源控制器
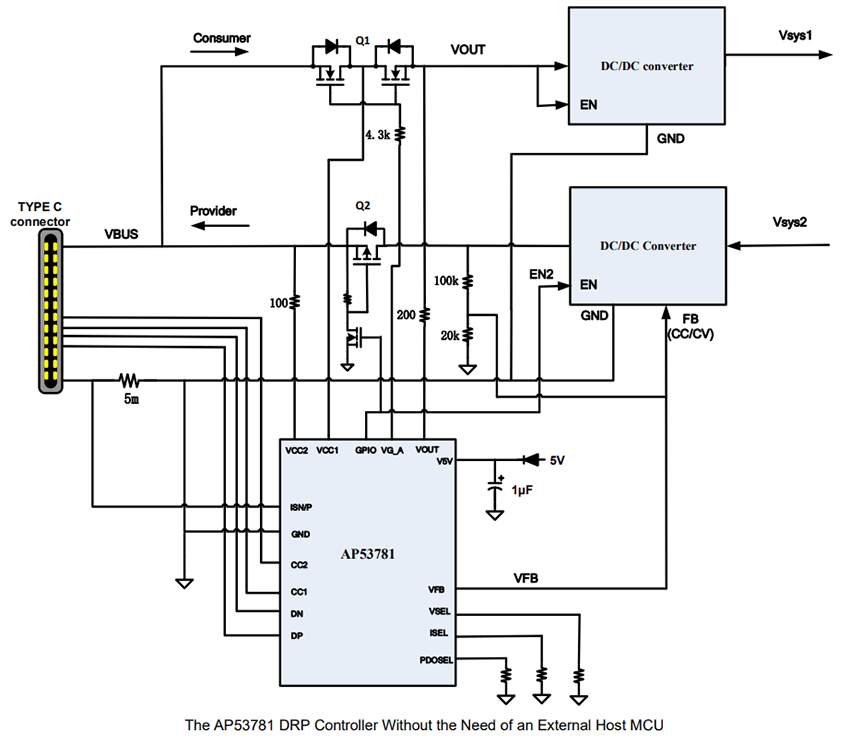
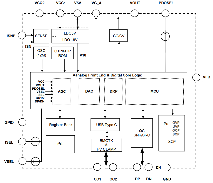
Diodes Inc. AP53781 USB供电 (PD) 双角色电源 (DRP) 控制器是一款完全集成的USB Type-C® PD3.2 DRP控制器,设计用于支持高达28V的扩展功率范围 (EPR)/可调节电压电源(AVS),以及高达21V的标准功率范围(SPR)。Diodes Inc. AP53781既可作为受电端,通过从符合PD3.1标准的适配器请求电源;也可作为供电端,为配备Type-C连接器的设备 (TCD) 供电。在关断模式下,AP53781的功耗低至50µA,无需MCU即可自主操作。在受电模式下,通过使用VSEL和ISEL引脚上的特定电阻值来定义目标电压和电流,从而选择所需的请求数据对象 (RDO)。在供电模式下,通过PDOSEL引脚上的相应电阻,可从八个预设的功率配置文件中选择电源数据对象 (PDO) 能力。AP53781集成了Rp/Rd端接电阻器和DRP控制开关。该元器件支持QC2.0/3.0协议,在作为受电端时具备电量耗尽电池模式。在作为供电端工作期间,可为外部DC/DC控制器提供VFB反馈控制。该设备使用低侧电流检测拓扑结构,工作电压范围为3.6V至28V。其他特性包括配置通道 (CC1/CC2) 引脚与相邻高压引脚之间高达34V的短路保护。内置FirmWare提供了全面的安全保护,包括过电压保护 (OVP)、欠电压 (UVP) 保护和过电流 (OCP) 保护。
特性
- USB PD3.1 v1.8认证,TID:11689
- 支持自主DRP控制
- 支持高达28V的EPR/AVS,电压步进为100mV
- 支持高达21V的SPR
- 关断功耗低至50µA
- 通过外部电阻器设置选择供电端PDO能力
- 通过外部电阻器设置选择受电端RDO电压/电流
- 支持QC2.0/3.0协议,可用作受电端或供电端
- 支持用于nMOS VBUS电源开关的栅极驱动器
- 支持外部DC/DC的模拟VFB反馈
- 工作电压范围为3.6V至28V,具有低侧电流检测功能
- 支持VBUS和VOUT放电路径
- 支持电池电量耗尽模式
- 支持OVP/UVP/OCP,并具备自动重启功能
- CC1/CC2引脚可耐受高达34V的VBUS短路故障电压,DP/DN引脚的短路耐受电压可达24V
- 表面贴装WQFN-16封装
- 完全无铅,符合RoHS标准
- 无卤素/无锑,绿色设备
应用
- 移动电源
- 电动工具
- 无线扬声器
- 电动自行车
- 销售点终端
- 便携式显示器
规范
- 电源电压范围:3.6V至28V
- 工作电源电流:2.5mA
- 工作电源电压:3V
- 热性能
- 结至环境热阻:31.3°C/W
- 结至壳顶热阻:23.9°C/W
- 结至板热阻:11.5°C/W
- 结至顶部表征参数:0.4°C/W
- 结至顶部表征参数:11.3°C/W
- 结至壳底热阻:5.8°C/W
- ESD 额定值
- 2 kV最大人体模式(HBM)
- 最大充电设备模型(CDM)为750 V
- 环境工作温度范围:-40 °C至+85 °C
- 工作结温范围:-40 °C至+125 °C
- +300°C最大焊接引线温度,焊接时间达10s
开发工具
典型应用电路
功能框图
发布日期: 2025-11-26
| 更新日期: 2026-01-26
