Diodes Incorporated AP64350QSP评估板

Diodes Incorporated AP64350QSP评估板采用简单布局,可通过测试点访问适当的信号。 AP64350QSP评估板设计用于评估AP64350Q 3.5A同步降压转换器。此转换器具有3.8V至40V的宽输入电压范围。AP64350Q降压转换器完全集成了75mΩ 高侧功率MOSFET和45mΩ 低侧功率MOSFET,可提供高效降压DC-DC转换。

特性

  • 输入电压范围:3.8 V至40 V
  • 输出电压:5V
  • 连续输出电流:3.5A
  • 0.8V ± 1%基准电压
  • 低静态电流:22μA

应用

  • 5V、12V和24V分布式电源总线供电
  • 白色家电和小家电
  • 家庭音响
  • 网络系统
  • 消费电子产品
  • 无绳电动工具
  • 光纤通信和网络系统
  • 通用负载点

电路板概述

Diodes Incorporated AP64350QSP评估板

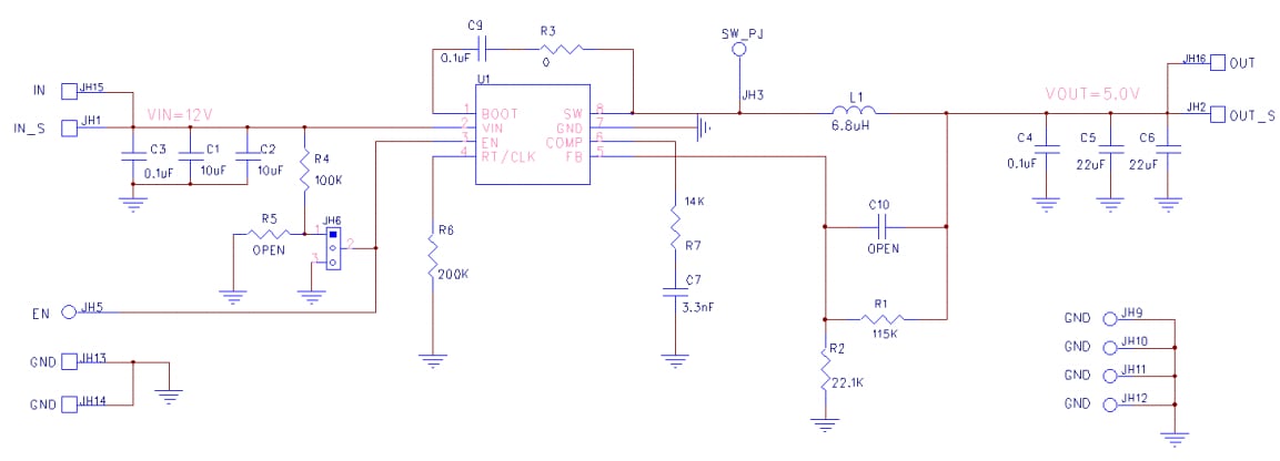
原理图

原理图 - Diodes Incorporated AP64350QSP评估板
发布日期: 2020-07-15 | 更新日期: 2024-08-09